分流电阻与发热

来源:AKM(旭化成微电子)

作者:-

发布时间:2025-10-11

本期推文将介绍分流电阻式电流传感器及其发热原理。这将帮助您理解分流电阻传感器的热量是如何产生的,以及应该如何做应对措施。

内容如下:

・分流电阻式电流传感器的工作原理和发热机理

・分流电阻式电流传感器发热的影响和散热对策

・低发热电流检测方法

01

分流电阻的原理与发热

监控电机或逆变器等工业设备的电流,在确保安全、性能以及效率方面是不可或缺的,分流电阻便是电流检测方法中的一种。分流电阻的原理与通常电阻相同,只是专门用于电流测量。如图1所示,通过将要测量的电流流过已知电阻值的分流电阻,并测量分流电阻两端的电压,便可利用欧姆定律V=IR,计算流过电流的电流值。连接方法:将要进行电流测量的部分进行串联连接。原理简单而且易于使用,因此是最主流的电流检测方式。

分流电阻也与通常电阻一样,流过电流时会发热。根据焦耳定律P=I2R,可知发热量与电流的平方及电阻值成正比。


图 1 通过分流电阻检测电流的原理

02

分流电阻的发热量

从分流电阻的结构可以看出,分流电阻必定会发热。那分流电阻实际上会产生何种程度的发热呢?
请看图 2。在右面所述的条件下,测量了分流电阻的表面温度。测量后发现,高温部分上升到约 80°C,温度上升量为 55°C。

由于温度上升量与发热量成正比,因此,电阻值达到2倍时,温度上升量也会上升到2倍;电流值达到2倍时,温度上升量则会上升到4倍。所以分流电阻不适合用于测量大电流。
一般来说,可以不介意发热,使用的电流大小约在10Arms左右。

相反,要抑制温度上升时,如果流过电流的电流量相同,只要减小分流电阻的电阻值就可以了。但是,如果电阻值变小,分流电阻两端的检测电压 (V=IR) 也必定会减小。这就需要对分流电阻的检测电压进行某种程度的增大,以确保后段的信号处理达到足够的S/N比。所以说,只是为了降低发热而减小电阻值,并不是理想的方法。



实验条件

・分流电阻 = 5mΩ  

・尺寸 = 6432 (6.4mm × 3.2mm)
・电流量 = 20A
・自然风冷下的室温 (25℃)

图 2 分流电阻的热图像

03

发热产生的影响

分流电阻的发热与 S/N 比之间有着相互制约的关系,因此,难以通过降低电阻值来抑制发热。如果分流电阻必定发热,那导致的结果是什么呢?主要有两个问题。


1. 成本增加、零部件尺寸增大

分流电阻等的电子部件可能会因过度发热而导致损坏。因此,电子部件规定有额定值,要求保持足够的余量,以确保安全使用。一般来说,额定值越大,成本越高,尺寸也越大。

电机或逆变器等工业设备的基板上装有各种部件。近年来,伴随着工厂的集约化等进程,这些基板也趋于小型化。也就是说,在较小的基板上装满了各种部件,安装空间十分狭窄。受分流电阻发热的影响,其它电子部件的环境温度会升高。这样,其它部件也必须选择工作环境温度等额定值较大的规格,从而导致系统全体成本增加,影响到集约化/小型化进程。


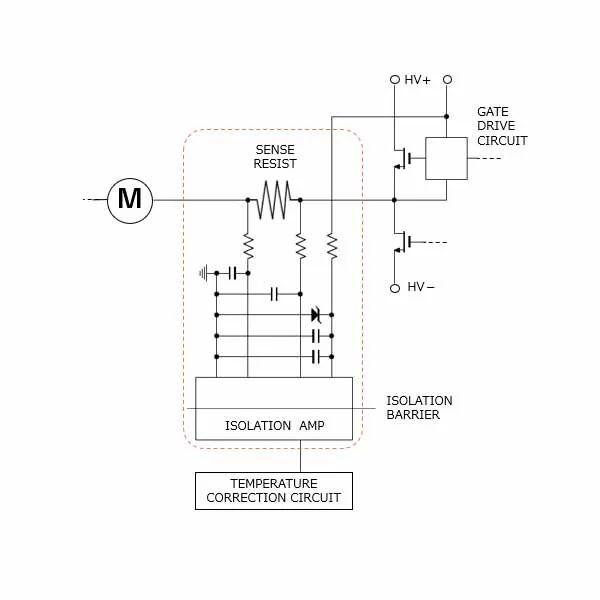
2. 电路的复杂化,增加零部件数量

分流电阻也与通常电阻一样,电阻值因温度而异。检测电压与分流电阻的电阻值成正比,因此,如果因发热导致温度上升,造成电阻值发生变化,那么,计算的电流值就会产生偏差。

为此,需要利用温度补偿电路对分流电阻的温度变化部分进行补偿,以确保分流电阻可高精度地检测电流。这样的话,电路就会复杂化,部件数量也会随之增加,从而也会影响到小型化进程。


总而言之,分流电阻的这种发热会对系统全体产生很大的影响。

图 3 使用分流电阻时的电路图

0
0
收藏

免责声明

  • 1、本文内容版权归属原作者、原发表出处。若版权所有方对本文的引用持有异议,请联系感算商城(service@gansuan.com),我方将及时处理。
  • 2、本文的引用仅供读者交流学习使用,不涉及商业目的。
  • 3、本文内容仅代表作者观点,感算商城不对内容的准确性、可靠性或完整性提供明示或暗示的保证。读者阅读本文后做出的决定或行为,是基于自主意愿和独立判断做出的,请读者明确相关结果。
  • 4、如需转载本方拥有版权的文章,请联系感算商城(service@gansuan.com)注明“转载原因”。未经允许私自转载感算商城将保留追究其法律责任的权利。