来源:米朗科技
发布时间:2025-11-21
一、GUC2800矿用本安磁致伸缩位移传感器概述:
GUC2800矿用位移传感器的原理是利用两个不同磁场相交时产生一个应变脉冲信号,然后计算这个信号被探测所需的时间周期,从而换算出准确的位置。这两个磁场一个来自磁环中的永磁铁,另一个来自传感器电子仓中的电子部件产生的激励脉冲。激励脉冲沿传感器内用磁致伸缩材料制造的波导丝以声速运行。当与磁环中的永磁场相交时,由于磁致伸缩现象,波导丝产生的机械振动形成一个应变脉冲。应变脉冲很快便被电子仓中的感测电路探测到。从产生激励脉冲的一刻到应变脉冲被探测到总的时间乘以固定的声速,我们便能准确的计算出磁铁的位置变化。这个过程是连续不断的,所以每当磁环位置改变时,新的位置会被迅速测量出来。由于输出信号是真正的 绝 对 值,而不是比例的或需要再放大处理的信号,所以不存在信号漂移或变值的情况,更不必像其他传感器那样需要定期重标。
GUC2800矿用位移传感器为非接触式,永不磨损。具有高分辨率、高精度、高稳定性、高可靠性、响应时间快、工作寿命长等优点。传感器不用重新标定,也不用定期维护。
二、GUC2800矿用本安磁致伸缩位移传感器技术参数:

三、GUC2800矿用本安磁致伸缩位移传感器接线方式:
传感器共有五个接点:电源正(红)、电源负(白)、输出正(绿)、空(蓝)、壳体地(屏蔽线)
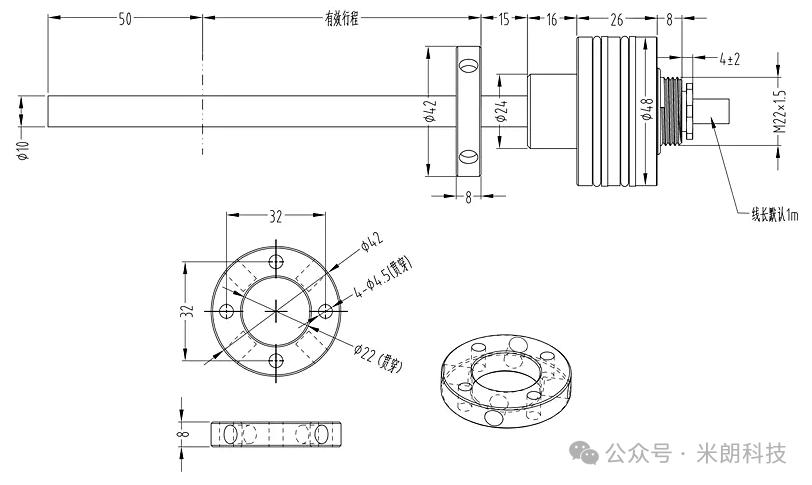
四、安装方式及安装尺寸:
1.检查传感器和磁环完好;规划电缆路径避开大功率设备;准备所需工具。
2.清理接触面,确保O形圈密封有效;壳体可靠接地。
3.磁环与测杆保持同心,无接触。
4.严格按线色或标识接线,电源正负切勿接反,确保屏蔽线接地。
5.先单独通电测试,移动磁环观察输出变化 ,正常后再连接控制系统复核数据。
