来源:上海申矽
发布时间:2025-11-04
随着半导体制程的演进,新一代电子系统的主芯片的端口电压愈来愈低,但与之配套的外围器件(传感器、执行器、存储器等)出于成本、性能的考量,大多仍工作于较高的电压域。为了保证这些高电压外围设备与低压主控能够正常通信,需要在不同电压域系统之间接入电平转换器。
申矽凌可提供开关型电平转换器,满足各类通信端口(推挽或开漏)电平转换的需求。
产品概述
Product Introduction/
申矽凌开关型电平转换器,具有较宽的工作电压范围。芯片自动识别电平转换方向,减轻工程师的设计负担。申矽凌的电平转换芯片采用行业标准引脚排布和标准封装,可实现通用型号的无感替代。
申矽凌开关型电平转换器主要分为两类,分别为开关型电平转换器和内置沿加速器的开关型电平转换器:
开关型电平转换器
此类电平转换器适用于开漏应用和推挽应用。如图2所示,开关型电平转换芯片内部存在一个N型传输门,两个端口通过传输门连接在一起,端口外部则通过上拉电阻连接到不同的电平上。
开关型电平转换器的工作原理是:当一端传来低电平时,传输门打开,两个端口导通,另一端被同步拉到低电平,以此完成低电平的传输;当一端为高电平时,传输门关闭,另一端被同侧的上拉电阻拉抬到相应电平上,从而实现高电平的转换。
开关型电平转换器主要特性:
双向电平转换,无需方向引脚
低待机电流
可支持5V I/O端口,支持TTL电平
Ron小,信号失真小
芯片关断后,I/O呈现高阻
支持高达100MHz的传输速率
支持1V转1.8V或3.3V以及1.8V转3.3V
支持多种常用封装
额定工作温度范围为-40℃到85℃
开关型电平转换器主要应用场景:
GPIO,MDIO,PMBus,SMBus,SDIO,UART,I2C,I3C
个人电脑
汽车
SD/MMC卡
 
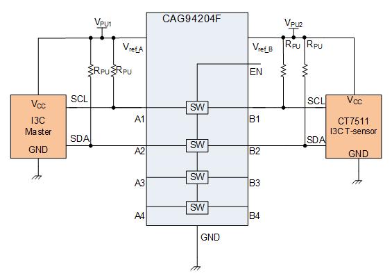
图1 四通道开关型电平转换器CAG94204F内部架构图
 
图2 CAG94204F典型电路图
内置沿加速器的开关型电平转换器
由于开关型电平转换芯片的高电平的形成只能依靠上拉电阻(通常为数千欧姆级别)对端口充电实现电平的抬升,上升沿爬升快慢和上拉电阻的大小成反比,传输速度因此受限。为进一步加快电平转换的速度,需要提升上升沿的陡峭程度。因此芯片设计师在开关型电平转换结构的基础上,又增加了沿加速电路(包括两个Oneshot电路及对应控制的两个MOS管T1和T2)。
 
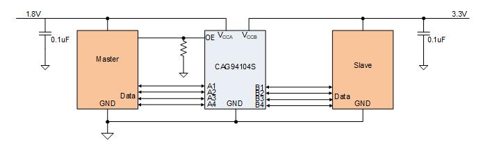
图3 四通道带沿加速器的开关型电平转换器CAG94104S内部架构图
如图3所示,沿加速电路的工作原理为:当一端(例如端口A)传来高电平时,内部的沿加速电路(Oneshot)将快速打开另一端的MOS管(T2),由于MOS管内阻仅有几十欧姆,远小于常用的外部上拉电阻(通常为千欧姆级别),另一端端口(端口B)通过mos管得到电源(Vccb)的快速充电,被快速拉抬到相应的电平上(Vccb),此时Oneshot电路完成其使命后,随即关闭其控制的MOS管(T2),而另一端端口(端口B)的电平则被稳定保持在高电平(Vccb)上。由于有沿加速电路的加持,低电平到高电平的转换时间被大大缩短,通信速率由此得到提高。
内置沿加速电路的开关型电平转换器主要特性:
双向电平转换,无需方向引脚
Vcca电压范围1.65~3.6V;Vccb电压范围2.3~5.5V
Vcca和Vccb无上电时序要求
低待机电流
支持多种常用封装
支持开漏模式和推挽模式
额定工作温度范围为-40℃到85℃
内置沿加速电路的开关型电平转换器的主要应用场景:
GPIO,PMBus,SMBus,UART,I2C,SPI
个人电脑
汽车
电信设备
 
图4 CAG94104S典型电路图
申矽凌开关型电平转换器产品全家福如下:

产品封装
 
   VSSOP-8
 
   QFN3.5X3.5-14
 
   SOT23-8
 
   TSSOP-14