为您找到56篇相关文章

【新品介绍】USB 转 UART/IIC/SPI通讯工具高效开发必备

【新品介绍】USB 转 UART/IIC/SPI通讯工具高效开发必备

JSY-KJ(健思研科技) 汽车通讯及导航 军事导航及通讯 网络通信 卫星通信 铁路系统设施(电力/信号/通信/网管) 数码/通信 通信 数据通信 光纤通信
2025-11-24
【应用方案】加固型 USB Type-C® 连接器

【应用方案】加固型 USB Type-C® 连接器

GlobTek(环球特科) 连接器 物联网 工业物联网(IIOT) 通信 数据通信 数码/通信 娱乐与信息系统 网络通信 智慧医疗 家居医疗 医疗 电子测试设备 通用测试电源
2025-11-21
【新品介绍】专为严苛环境设计的高性能全天候鞭状天线

【新品介绍】专为严苛环境设计的高性能全天候鞭状天线

Abracon LLC 高性能全天候鞭状天线 天线反射器LENS 网络通信 卫星通信 通信 数据通信 办公通信设备 光纤通信 数码/通信 网关 路由器/网关 人工智能AI 智能硬件 工业智能 楼宇自动化
2025-11-18
【应用方案】IT 工程首选!TE RJ45 模块化插座,适配多场景布线需求

【应用方案】IT 工程首选!TE RJ45 模块化插座,适配多场景布线需求

TE(泰科) TE RJ45 模块化插座 床边监护仪 自动化 工业机械 数据存储设备 数据通信 便携式数据终端 通信 数码/通信 工业自动化 路由器/网关 路由器 交换机 家居医疗 医疗 AI医疗
2025-11-14
【应用方案】信息通信基础设施解决方案

【应用方案】信息通信基础设施解决方案

Panasonic(松下) 基础 安防信息处理/控制/管理系统 安防信息传输系统 娱乐与信息系统 盲点信息系统(BLIS) 动物生命信息与支持 生命信息与支持 办公通信设备 网络通信 卫星通信 光纤通信 数码/通信 通信 数据通信 AI服务器
2025-11-12
【技术分享】数据如何远距离传输?一文了解数字调制基础知识

【技术分享】数据如何远距离传输?一文了解数字调制基础知识

Murata(村田) 物流设备-数据处理类 数据存储设备 数据通信 便携式数据终端 通信 数码/通信 光纤通信 卫星通信 网络通信
2025-11-11
【应用方案】台达低压成套配电系统护航“千柜级”枢纽稳定运行

【应用方案】台达低压成套配电系统护航“千柜级”枢纽稳定运行

台达(Delta) 配电柜 物流设备-数据处理类 数据存储设备 数据通信 办公通信设备 网络通信 光纤通信 铁路系统设施(电力/信号/通信/网管) 数码/通信 通信
2025-11-10
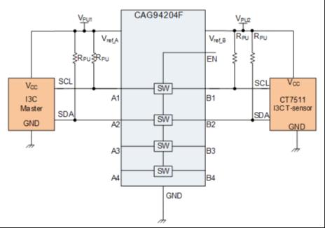
【新品介绍】申矽凌自动检测方向的开关型电平转换器产品系列

【新品介绍】申矽凌自动检测方向的开关型电平转换器产品系列

申矽凌(SENSYLINK) 个人电脑 半导体设备 半导体封测 功率半导体测试 网络通信 卫星通信 光纤通信 通信 数码/通信
2025-11-04
【行业动态】【突破通信边界】中国发布全球领先星间激光路由系统,太空互联网迎来

【行业动态】【突破通信边界】中国发布全球领先星间激光路由系统,太空互联网迎来"高速时代"

互联网 激光路由系统 卫星互联网 网络通信 卫星通信 光纤通信 通信
2025-11-03
【应用方案】专为灵活生产而生!AST埃斯特 ASEL-450选择性波峰焊设备,省空间、省电、更省心!

【应用方案】专为灵活生产而生!AST埃斯特 ASEL-450选择性波峰焊设备,省空间、省电、更省心!

埃斯特磁 AST ASEL-450 航空航天 通信模块 离线式选择性波峰焊设备 选择性焊接设备 电子制造 汽车电子 工业物联网(IIOT) 工业智能 工业自动化 网络通信 数码/通信 通信 医疗 家居医疗 AI医疗 消费电子 消费类电源
2025-10-24
【新品介绍】京瓷首款全屏蔽0.4mm高速连接器5908系列新品上市

【新品介绍】京瓷首款全屏蔽0.4mm高速连接器5908系列新品上市

KYOCERA(京瓷) 连接器 高速连接器 办公通信设备 网络通信 卫星通信 数码/通信 通信 数据通信 消费电子 汽车电子 电子生产线 电机驱动 工业电源
2025-10-23
【技术分享】通过单个触点增加控制、存储器、安全和混合信号功能

【技术分享】通过单个触点增加控制、存储器、安全和混合信号功能

ADI(亚德诺) 1-Wire 控制器 驱动器 公共总线 端口 配件/开发模块 模块 数字图像设备 智能电网 电网自动化 数据存储设备 物流设备-数据处理类 数据通信 便携式数据终端 铁路系统设施(电力/信号/通信/网管) 汽车通讯及导航 军事导航及通讯 网络通信 卫星通信 数码/通信 通信
2025-10-14
【新品介绍】瑞萨电子推出针对未来工业和机器人应用的旗舰产品RA8T2 MCU超高算力、高实时性,支持TSN及多协议工业以太网

【新品介绍】瑞萨电子推出针对未来工业和机器人应用的旗舰产品RA8T2 MCU超高算力、高实时性,支持TSN及多协议工业以太网

Renesas(瑞萨电子) RA8T2 MCU RA8T2微控制器(MCU)产品群 自动生产线 工业自动化 工业物联网(IIOT) 工业智能 网络通信 铁路系统设施(电力/信号/通信/网管) 通信 数据通信 电机驱动
2025-09-28
【新品介绍】瑞萨电子超低功耗RA0系列新增电容式触控功能MCU

【新品介绍】瑞萨电子超低功耗RA0系列新增电容式触控功能MCU

Renesas(瑞萨电子) RA0L1 RA0L1微控制器(MCU)产品群 触控 工业物联网(IIOT) 工业智能 工业自动化 物联网 物流设备-数据处理类 办公通信设备 网络通信 通信 数据通信 消费电子 智能家居
2025-09-28
【新品介绍】透明导电膜应用案例:透明电线

【新品介绍】透明导电膜应用案例:透明电线

Panasonic(松下) 透明电线 通信基础设施 AR眼镜 平板电脑 智能手机 ICT设备 玻璃 汽车电子 汽车仪表与显示(EIS) 汽车安全与舒适类 智能手表 数码相机 网络通信 光纤通信 数码/通信 通信 数据通信
2025-09-26
【新品介绍】内置英飞凌芯片,村田IoT无线模组实现三频通信

【新品介绍】内置英飞凌芯片,村田IoT无线模组实现三频通信

Murata(村田) 智能零售 智能安防 智能制造 智能家居 人工智能AI 网络通信 卫星通信 光纤通信 通信 数码/通信
2025-09-23
【应用方案】VEGA 雷达物位计在半导体材料高要求行业的成功应用

【应用方案】VEGA 雷达物位计在半导体材料高要求行业的成功应用

VEGA(威格) 雷达物位计 网络通信 通信 数码/通信 数据通信 新能源 电力/新能源 汽车电子 物联网 工业物联网(IIOT) 人工智能AI
2025-09-22
【应用方案】Abracon的GPS驯服时钟模块ABCM-51系列:为关键应用提供超高精度时钟

【应用方案】Abracon的GPS驯服时钟模块ABCM-51系列:为关键应用提供超高精度时钟

Abracon LLC ABCM-51 晶体振荡器 驯服时钟模块 金融交易 广播 工业控制 专用电力网络 有线或无线通信 通信 数码/通信 数据通信 光纤通信 工业仪器仪表 导航 汽车通讯及导航 军事导航及通讯 智能追踪器
2025-09-11
【新品介绍】1.0~7.125GHz的高隔离SPDT射频开关NT1821

【新品介绍】1.0~7.125GHz的高隔离SPDT射频开关NT1821

Nisshinbo Micro Devices Inc. NT1821 射频开关 Wi-Fi 模块 其他移动设备 智能手机 网络通信 通信 数据通信 数码/通信 卫星通信 光纤通信
2025-09-04
【应用方案】Matter 1.4.2更新:增强智能家居的安全性与可扩展性

【应用方案】Matter 1.4.2更新:增强智能家居的安全性与可扩展性

Silicon Labs(芯科) 物联网 工业物联网(IIOT) 网络通信 办公通信设备 通信 数码/通信 数据通信
2025-08-27
客服 微信 反馈
顶部