基于英飞凌PSOC™ Control C3的交错并联式PFC+变频解决方案

来源:Infineon(英飞凌)

作者:-

发布时间:2025-10-13

1

交错并联式PFC+变频解决方案介绍

交错式功率因数校正技术,凭借其卓越的纹波抑制能力、优化的热管理、改善的EMI性能和潜在的带宽提升,已成为现代高性能AC/DC前端设计的基石。英飞凌这款4 KW压机变频解决方案搭配了英飞凌最新的PSOC™ Control C3控制器和Easy模块(Easy 2B),为客户提供紧凑型交错并联式PFC+变频解决方案。

2

PSOC Control C3 产品介绍

PSOC™ Control C3凭借高主频与高性能特性,可轻松控制40kHz交错式PFC的开关频率,降低电感值与体积,优化BOM成本。其内置独特的电机控制外设,助力客户简化电机控制开发(CORDIC加速器、DSP/FPU、TCPWM、12 Msps ADC)。

1

高性能可编程模拟子系统

高性能可编程模拟子系统


  • 12 位12Msps SAR ADC,支持 16 个模拟通道进行并行空闲采样


  • 每个通道都配备独立采样保持器


  • 每个通道可独立配置增益(1、3、6、12)


  • 所有通道都支持同步采样模式


  • 16 个模拟通道可分配给 8 个独立的组,每组支持8路触发源


  • 支持伪差分采样模式


  • 每个通道集成限幅检测功能(助力过流/过压保护,减少CPU干预)


  • 支持 ADC DMA 和 FIFO 模式,减少 CPU 干预


  • ADC 模拟输出可直接接入CSG 比较器进行保护


  • 10 位 DAC 为比较器的输入提供参考电压


  • 提供多路触发源输出(用于关键外设同步触发)

2

灵活的TCPWM

面向不同PWM应用的灵活计数模式以及灵活的输入输出触发信号。


TCPWM用于单电阻采样

  • 3 个TCPWM 计数器用于产生 3 对互补 PWM 信号。1个 TCPWM 计数器用作 ADC 触发信号。电机运行时,所有 4 个 TCPWM 计数器同步。


  • 溢出事件触发 FOC 中断,并在前半个 PWM 周期内执行。


  • 所有 GPIO 均可用作 PWM 输出引脚,从而使 PCB 布局更加简便。


  • 从 AD 采样到下一次 PWM 比较更新的时间间隔仅为约半个 PWM 周期,从而显著提升电流环带宽和观测器性能。

3

基于PSOC™ Control C3的交错并联式PFC+变频解决方案

1

Demo板硬件

交错并联式PFC+变频解决方案由PSOC™ Control C3M5 Digital Power Control Card和4KW的功率板组成。交错并联式PFC PWM 的载频在30kHz~40kHz,Peak efficiency: 97.4%,功率因数> 98%,总谐波失真<4.6%(满载运行时)。

Demo板硬件

2

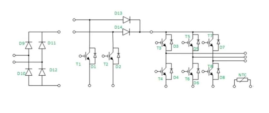
系统框图


Interleave PFC (boost) + Compressor Control System Diagram


其中功率板采用EasyPIM™ 2B集成PIM模块FB50R07W2E3_B23,它带双通道交错PFC级和三相逆变桥,采用50A Highspeed5交错PFC级,50A沟槽栅截止层IGBT 3,发射极受控Emcon3二极管的逆变三相桥,压接安装和NTC,适用于热泵/暖通空调应用。






3

Interleave PFC 控制算法特性


Interleave PFC 控制算法框图

  • 支持单精度浮点数据格式


  • 支持输入频率自适应


  • 支持高度优化的软件数学函数(sin/cos/atan2),保障计算精度和效率


  • 支持非对称PWM输出模式


  • 支持电流环倍频控制模式


  • 支持电压电流双闭环模式


  • 支持电感电流平衡控制


  • 支持增强型单相PLL算法,实时检测输入频率,幅值与相位


  • 支持线性与非线性混合型电流控制器,实现全负载范围高性能控制


  • 完善的保护机制:过压/欠压/过流/过功率保护


4

测试波形

(1)稳定运行时的测试数据



220V, 50Hz, Power = 3kW下输出电压ripple仅16V

220V, 60Hz, Power = 3kW下输出电压ripple仅12V

滑动查看更多测试结果



(2)电阻负载瞬态变化响应测试:






220V, 50Hz, 0kW → 3kW

220V, 50Hz, 0kW → 3kW (zoom in)

220V, 50Hz, 3kW→ 0kW

220V, 50Hz, 3kW → 0kW (zoom in)


滑动查看更多测试结果




(3)电压瞬态变化响应测试:



185V →250V 60Hz, 3kW

185V→250V 60Hz, 3kW (zoom in)

250V →185V 60Hz, 3kW

250V→185V 60Hz, 3kW (zoom in)





可以看出在瞬态过程中也能维持输出电压的稳定。


0
0
收藏

免责声明

  • 1、本文内容版权归属原作者、原发表出处。若版权所有方对本文的引用持有异议,请联系感算商城(service@gansuan.com),我方将及时处理。
  • 2、本文的引用仅供读者交流学习使用,不涉及商业目的。
  • 3、本文内容仅代表作者观点,感算商城不对内容的准确性、可靠性或完整性提供明示或暗示的保证。读者阅读本文后做出的决定或行为,是基于自主意愿和独立判断做出的,请读者明确相关结果。
  • 4、如需转载本方拥有版权的文章,请联系感算商城(service@gansuan.com)注明“转载原因”。未经允许私自转载感算商城将保留追究其法律责任的权利。