英飞凌可调电容天线调谐器件及其应用浅谈

来源:Infineon(英飞凌)

作者:-

发布时间:2025-10-13



前言

前文12中介绍了“开关型”天线调谐器件(Antenna Tuner)的关键参数与应用中的选型策略。SP4T, 2×SPST, 4×SPST等开关型拓扑结构的天线调谐器件,相对而言,具有诸如损耗较小、成本较低、应用在天线高压调谐区域时线性度较好等优点。但同时,现有的开关型天线调谐器在实际应用中也存在一定的短板或局限性,其中,由于拓扑结构简单导致天线端口匹配调谐能力差,即是开关型天线调谐器的短板之一。

为了改善这类器件的局限性,同时帮助客户能够更好地应对更为复杂的天线端口的匹配与调谐需求,英飞凌在开关式天线调谐器之外,继续开发了可调电容式天线调谐器(Capacitor-Tuner, 或C-Tuner)。本文将对这一产品形态与应用做一个初步介绍。

1

英飞凌可变电容天线调谐器(C-Tuner)的形态与拓扑结构

如图1.1, 1.2示,C-Tuner系列产品的内部会集成1至2个可变电容阵列,且每个电容阵的容值均为步进可调,最小步进值约为0.2皮法(pF)左右。不同的产品型号,内部电容的容值范围、内部开关通路的数量以及拓扑结构都不尽相同。目前英飞凌C-Tuner产品内部电容的调谐范围大约在0.2pF-5pF,对应3bit-5bit的逻辑控制位(即8-32个逻辑状态)。


图1.1 英飞凌BGSC2341M的管脚分布与拓扑框图


图1.1、1.2分别为英飞凌两款不同型号的C-Tuner产品,二者的内部结构、参数配置、复杂程度不同。但由于其内部都集成了可变电容器,配合外围射频电路,两者都可以实现对客户天线端口阻抗的精细化调谐功能。

下面以这两款产品为例,对如何有效地使用C-Tuner对蜂窝频段(600MHz-3GHz)天线进行匹配调谐做一个简单的探讨。


图1.2 英飞凌BGSC3541M的管脚分布与拓扑框图

2

可调电容式调谐器(C-Tuner)在天线调谐中的应用方案探讨


2.1

英飞凌可调电容天线调谐器BGSC2341M


对于工作于低频段(<1GHz)的蜂窝天线而言,通常使用并联电感元件同时串联电容元件的方式对其端口阻抗进行匹配调谐(如图2.1)。由于C-Tuner器件内置的可调电容容值范围有限,在某些应用场景下,尤其是对于低频段天线,可能无法满足客户更大的容值需求。此时,我们可以通过在英飞凌BGSC2341M外部额外并联一颗定值电容(见图2.1),来实现内部容值范围的扩展。

配合外部匹配电路以及Pin脚之间的PCB走线,英飞凌C-Tuner可以用来实现不同蜂窝频段的天线端口阻抗调谐及辐射口径调谐。图2.1-2.4中展示了使用英飞凌BGSC2341M实现若干不同的匹配拓扑结构,从而适配和满足客户多种不同的天线调谐需求。


图2.1 英飞凌BGSC2341M应用于低频蜂窝天线调谐图

 图2.2 英飞凌BGSC2341M应用于高频蜂窝天线调谐

图2.3 英飞凌BGSC2341M应用高频+低频蜂窝天线调谐图

图2.4 英飞凌BGSC2341M应用于天线口径调谐

滑动查看更多图片


2.2

英飞凌可调电容天线调谐器BGSC3541M


除上述内部结构相对简单的BGSC2341M选型外,英飞凌还提供另一款拓扑能力更强、应用更为灵活的C-Tuner,BGSC3541M(见图1.2)。


2.2.1 BGSC3541M应用于蜂窝低频天线调谐


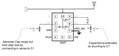
图2.5 英飞凌BGSC3541M低频调谐:容值扩展 


同样,配合pin脚之间的PCB走线(如下各图中的蓝色短线),使用BGSC3541M可以轻松实现Π型的匹配拓扑结构(图2.6),同时还可以通过在相应位置串并联外部电容,来实现可调电容容值范围的扩展或更加精细的步进容值,见图2.5、图2.6。


 图2.6 英飞凌BGSC3541M低频调谐:精细调谐


2.2.2 BGSC3541M应用于蜂窝高频及多频(高频+低频)天线调谐


图2.7-图2.9为BGSC3541M适用于高频蜂窝天线调谐的几种应用案例,图2.10-图2.11为适用于多频(低频+高频)蜂窝天线调谐的应用案例,图2.12为BGSC3541M应用于天线口径调谐方式。


图2.7 英飞凌BGSC3541M高频调谐:容值范围扩展

 图2.8 英飞凌BGSC3541M高频调谐:精细调谐

图2.9 英飞凌BGSC3541M高频调谐:容值范围平移

图2.10 英飞凌BGSC3541M多频调谐:Π型拓扑

图2.11 英飞凌BGSC3541M多频调谐:T型拓扑

2.12 英飞凌BGSC3541M应用于天线口径调谐

滑动查看更多图片

0
0
收藏

免责声明

  • 1、本文内容版权归属原作者、原发表出处。若版权所有方对本文的引用持有异议,请联系感算商城(service@gansuan.com),我方将及时处理。
  • 2、本文的引用仅供读者交流学习使用,不涉及商业目的。
  • 3、本文内容仅代表作者观点,感算商城不对内容的准确性、可靠性或完整性提供明示或暗示的保证。读者阅读本文后做出的决定或行为,是基于自主意愿和独立判断做出的,请读者明确相关结果。
  • 4、如需转载本方拥有版权的文章,请联系感算商城(service@gansuan.com)注明“转载原因”。未经允许私自转载感算商城将保留追究其法律责任的权利。