来源:Monolithic Power Systems(MPS)
发布时间:2025-11-27

前不久,MPS ACDC 产品总监Peter Huang在北京举办的新品发布会上为大家分享了MPS ACDC 产品的市场优势及其最新技术进展,同时揭晓了MPS在当今热门的手机、笔记本电脑等便携式设备PD快充,电视LED显示屏电源,氮化镓(GaN)、碳化硅(SiC)功率器件,电动汽车充电,AI服务器供电等领域的先进技术、最新产品以及完整解决方案。
随着新国标GB20943-2025能耗管理标准正式发布以及第三代半导体时代的到来,消费电子、工业系统等应用也对ACDC电源提出了更严苛的要求,ACDC电源产品逐渐向低功耗、高效率、小型化和智能化等方向发展。
ACDC 开关电源的技术创新持续突破,最新的 800V AI 电源架构重新定义了 AI 供电电源系统,而超高功率密度“饼干式”手机充电器(>1.3W/cm³)、“零功耗”手机充电器(<5mW)等产品也体现了消费市场的需求变化。
各国政府和国际组织都在不断提升电源的能效标准,以减少能源浪费和碳排放。ACDC 开关电源标准对空载待机功耗和效率提出了更高的要求。比如,欧盟执委会最新的 CoC V5 六级能效标准第二阶段,美国能源部 DoE VI 六级能效,以及最新发布的新国标 GB20943-2025 能耗管理标准。
其中,新国标 GB20943-2025 提出了更严苛的空载功耗和效率要求,以 45W/20V 为例, Level 1 对应的待机功耗为 50mW,平均效率要达到 91.1%,比相应 CoC 标准的 75mW 待机功耗和 88.9% 的效率要求更高一个等级。(二)临时密码功能
“在更小的空间里提供更大的功率”是永恒的主题。特别是在空间受限的应用环境,例如服务器、电视、LED 照明,以及功率越来越大的便携式充电器等产品,都对功率密度提出了更高的要求。
手机 PD 充电器本身就是智能化的一个典型例子。充电器通过 PD IC 与终端设备手机沟通,来改变输出电压、电流和功率。充电器还可以辨认不同品牌的手机,从而采取对应的充电模式,这是典型的智能化。
数字电源管理 IC 采用数字控制来取代传统的模拟 PWM 控制,带来了极大的灵活性。数字电源可以通过 UART 通讯自由设置来满足个性化的性能要求,有些电源还可以根据负载状况进行实时设置变动来提高效率和提升其他性能。数字电源已经在 PC、TV、LED 照明等应用中大量取代原来的模拟控制器。
除了电源自身性能的智能化,越来越多电源系统还将直接和智能终端实时沟通,类似 PMBUS I²C 的通讯来提供监测功能和电源温度、运行时间、效率等数据,通过智能终端可以连接医院、学校、工厂等大平台的电源系统管理,进行系统的能效优化,而非单一电源的性能提升。
未来,电动汽车、手机充电器、电视、监视器等很多终端设备 90% 以上的时间处于待机状态,待机功耗的减少符合低碳能源的长远路线图。根据新国标 GB20943-2025,Level 1 对应的待机功耗小于 50mW(49W),比之前最严格的 75mW 标准降低了 30% 以上。这一标准的变化意义重大,按照 50mW 待机功耗来计算,40 亿个充电器一年可以省下 14 亿度电。
“零功耗待机”是终极目标,特别是手机充电器的待机功耗。早期小功率手机充电器的待机功耗从 0.25W 到 0.15W,再到 30mW。现在的充电器功率已经超过100W,再加上PD 芯片,于是其待机功耗标准也随之变化。
同时,技术的发展也推动了这个标准的演变。通过消除光耦可以轻松地降低 10-20mW 待机功耗,市面上有两种去光耦的拓扑:一种是 PSR(原边反馈)技术,该技术在 20 年前的充电器上非常流行,是通过变压器反馈信号控制,一般适用于 20W 的应用;
另外一种是 All-In-One 技术,通过磁隔离或容隔离技术 做反馈,可用于所有功率范围。
“零待机功耗”是指 <5mW 的功耗,电源系统基本是处于休眠状态。由于充电器的功率大幅增加,“零待机功耗”的实现变得越来越困难。市面上的“零待机功耗”可以通过 PD 芯片跟终端设备的握手协议来实现,但牺牲了反应速度。
“小型化” 的市场需求来自便携设备,比如手机、电脑的充电器,在追求功率密度方面走在前列。随着手机快充和电脑供电功率的增加,需要通过提升效率来尽量减少体积。举个例子,5W(2007)的充电器尺寸和现在 65W(2025)的充电器体积差不多。
而不同应用场景的功率密度要求也不一样,比如 1.2W/cm³ 在 100W 手提电脑应用中是比较难实现的目标,而 1.5W/cm³ 在 100W 手机充电器中比较容易实现,最主要的原因是满载功率工作时间不一样。
要追求可商业化的主流的高功率密度产品,功率提升至关重要。直接的方法是减少 ACDC 整流桥堆损耗,目前有两种途径,第一种是整流桥堆用 MOSFET Q1, Q2 提高效率,但性价比不高;另外一种是采用 TP-PFC,类似MPF45000的方案,这个方案可以减少整流桥堆,市场上采用得越来越多。

将主流拓扑结构应用在不同功率段,从而实现最高的性价比。
小功率10W, Buck
小功率10-65W, CCM/QR flyback
中功率75W-240W, PFC+QR flyback(准谐振反激);PFC+ACF(有源钳位反激)PFC+ZVS flyback(零开关反激),PFC+AHB(非对称半桥反激),PFC+LLC
大功率>240W,主要采用 PFC+LLC
目前很多的创新集中在 75W-240W 功率段,第一个原因是快充和 PD 3.1 的广泛应用;第二个原因是大量应用功率从 65W 升到 75W 以上,包括手机充电、游戏笔记本、AI 笔记本、 显示器、电视等。
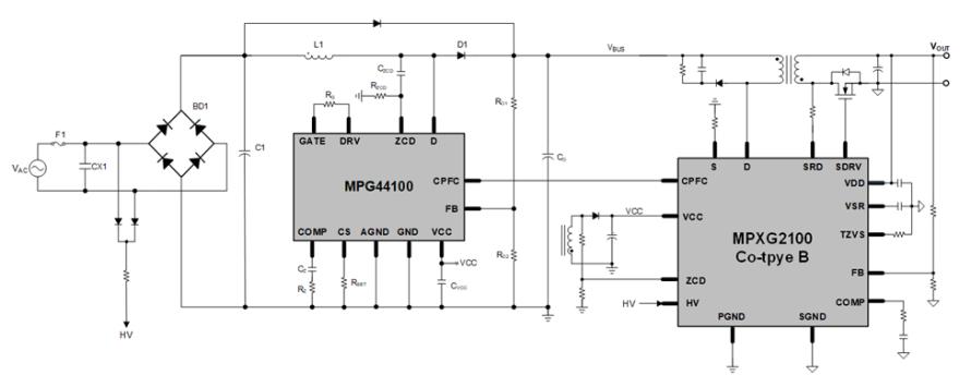
PD 宽电压输出的需求限制了 LLC 拓扑的应用,目前主要采用 flyback 结构。 MPS新推出的无光耦的 NovoOne 系列 ZVS flyback 架构相比于QR flyback,能在不增加成本的情况下提升1-2%的效率,成为极具性价比的优异架构。ZVS flyback 是软开关技术,效率非常接近 AHB(非对称半桥反激), 但待机和轻载性能比 AHB 更出色,可以更好地满足单口输出的所有能耗要求(如 5V 10% 等)。最重要的是,用一个高压 FET 就可以实现软开关,在成本方面更有优势,或将成为 75W-240W 功率段的高功率密度首选方案。
NovoOne ZVS flyback 系列包含MPG44100与MPXG2100等产品,采用第三代半导体功率器件氮化镓(GaN)做快速关断,加上软开关,其开关损耗极低。MPG44100与MPXG2100相结合的方案具备行业领先的高效率、极低待机功耗、超高集成度等优势,可以很好地满足高频小型化的设计需求,同时符合所有严格的全球能源标准,最大限度地降低系统复杂性,并大幅削减物料清单总成本。
