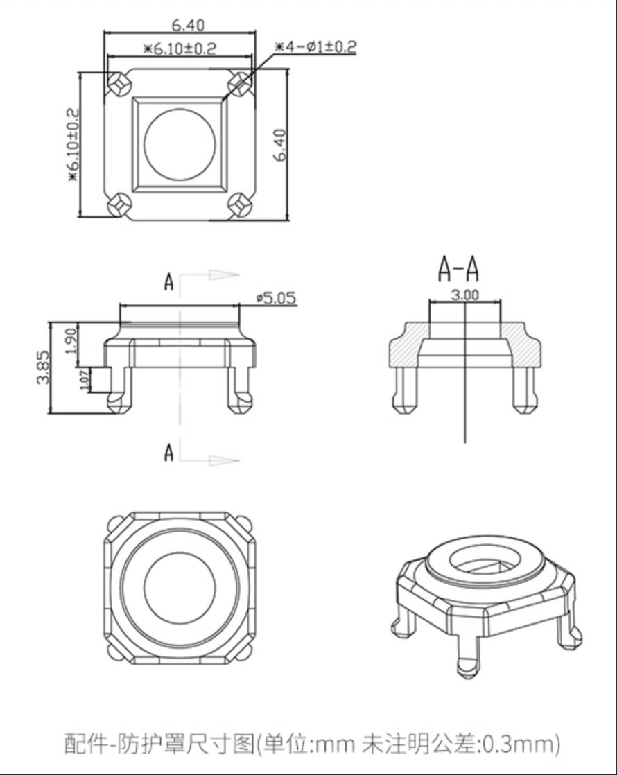
具有独特内腔设计的传感器防护罩AF02,长宽为6.40mm,可防止水汽、灰尘等污染物影响

来源:奥松电子

作者:-

发布时间:2022-03-07


AF02是奥松电子推出设计制造的防护罩,具有独特的内腔设计,使过滤膜和之间的死区体积可以忽略不计;顶部由防尘透气的过滤膜覆盖,并使用粘合剂在PCB上进行O形圈密封,可防止水汽、灰尘、煤烟、颗粒物及其他污染物对传感器的性能造成影响。传感器焊接后,可将防护罩的四个引脚卡在PCB上,防护罩与传感器组合成一个紧凑的实体,可以作为独立直接连到设备外壳。

 

 

 

防护罩可搭配奥松电子多款传感器使用:

 

 

尺寸图

 

 

 

0
0
收藏

免责声明

  • 1、本文内容版权归属原作者、原发表出处。若版权所有方对本文的引用持有异议,请联系感算商城(service@gansuan.com),我方将及时处理。
  • 2、本文的引用仅供读者交流学习使用,不涉及商业目的。
  • 3、本文内容仅代表作者观点,感算商城不对内容的准确性、可靠性或完整性提供明示或暗示的保证。读者阅读本文后做出的决定或行为,是基于自主意愿和独立判断做出的,请读者明确相关结果。
  • 4、如需转载本方拥有版权的文章,请联系感算商城(service@gansuan.com)注明“转载原因”。未经允许私自转载感算商城将保留追究其法律责任的权利。