Crocus CT40X 电流传感器

来源:感算

作者:感算

发布时间:2024-07-11

在各个领域中,使用电流时的安全问题和故障检测非常重要。Crocus CT40X电流是一款基于磁阻效应的非接触式高线性度电流。它采用了Crocus公司的磁阻传感技术,通过测量电流所产生的磁场来确定电流的大小。该传感器具有高精度、高灵敏度和低功耗的特点,适用于、电力系统、电动车辆、可再生能源、电子设备和等广泛的应用场景。接下来,我们将详细介绍Crocus CT40X系列,包括CT4021型号和CT4031型号。

Crocus CT40X 电流传感器1

 

 

1. 规格参数

 

·单极性和双极性范围:10A~65A

·带宽:500kHz

·初级导体电阻:0.5mΩ

·按电源电压的比率输出

·-40°C至125°C范围内的最大总误差为3%

·UL/IEC 62387认证

  额定隔离电压:3kVRMS

  基本隔离工作电压:701VRMS

  加固隔离工作电压:344 VRMS

·电源电压:3.3V或5V

·封装:提供8引脚SOIC封装(CT4021型号)/16引脚SOICW封装(CT4031型号)

 

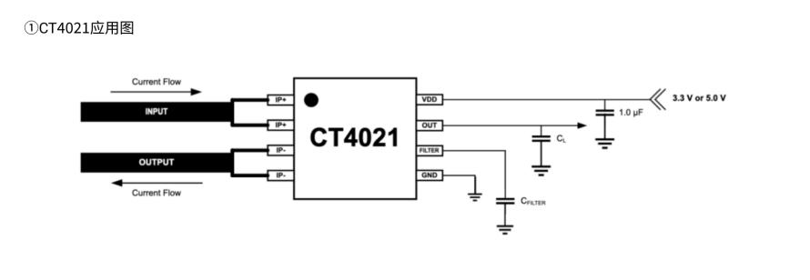
2. 典型应用图

 

Crocus CT40X 电流传感器2Crocus CT40X 电流传感器3

 

3. 产品特点

·高精度测量:具有高精度的电流测量能力,可以测量小到几毫安的电流。

·稳定性:它采用了Crocus公司的磁阻传感技术,具有较低的测量误差和良好的稳定性。

·电流检测:主要导电路径的引脚和传感器引线是电流隔离的。这可以实现高端电流检测,而无需额外的隔离技术。

·小型紧凑设计:小尺寸和薄型非常适合空间受限的应用。

 

 

4. 应用范围

 

Crocus CT40X 电流传感器4

 

Crocus CT40X广泛应用于、电力系统、电动车辆、电子设备等领域。它可以用于电流监测、电流保护、电能计量等应用,保障电力系统的安全和效率。如果您有任何产品的需求,请随时联系我们,我们将竭诚为您服务。

0
0
收藏

免责声明

  • 1、本文内容版权归属原作者、原发表出处。若版权所有方对本文的引用持有异议,请联系感算商城(service@gansuan.com),我方将及时处理。
  • 2、本文的引用仅供读者交流学习使用,不涉及商业目的。
  • 3、本文内容仅代表作者观点,感算商城不对内容的准确性、可靠性或完整性提供明示或暗示的保证。读者阅读本文后做出的决定或行为,是基于自主意愿和独立判断做出的,请读者明确相关结果。
  • 4、如需转载本方拥有版权的文章,请联系感算商城(service@gansuan.com)注明“转载原因”。未经允许私自转载感算商城将保留追究其法律责任的权利。