您好,
请
登录
,免费注册
您好,
账户信息
退出
消息(
0
)
我的订单
样品清单
关于感算
搜索
搜索历史
全部清除
购物车
0
当前购物车为空,尚未添加任何商品
首页
传感器
技术方案
技术服务
需方招标
资讯
资料下载
入驻招商
首页
新品介绍
Honeywell CSNV700电流传感器
Honeywell CSNV700电流传感器
来源:
感算
作者:
感算
发布时间:
2024-01-05
Honeywell CSNV700 系列电流
传感器
基于霍尼韦尔专有先进磁传感技术,采用单
电源
供电,CAN 总线输出,
汽车
级产品设计,可用于纯电动车、插电混动车及储能设备中测量±700A 的直流、交流。CSNV700M 型为注塑6.5毫米标准安装孔径,CSNV700N 为钢套增强型6.8毫米安装孔径。
特性:
CSNV700电流
传感器
可测量电流达700A ,为
新能源
汽车
BMS电池管理系统提供3‰测量精度,使充电进度和续航里程的数据更加准确。在BCI测试中,霍尼韦尔CSNV700
电流传感器
达到ClassA测试结果,拥有强大的抗干扰能力。
• 高精度、低温漂,帮助客户精准计算电池SOC。
• 优异的抗干扰能力,适用于狭小空间,节约安装成本。
• 宽广的工作电压范围,及强大的自恢复能力,确保CAN通讯稳定可靠。
• 安装及软件界面与市场上众多产品兼容,替换容易。
• 多种输出选择,方便不同应用。
规格参数:
• 直流初级电流测量范围:±700A
• 工作温度范围:-40
℃
~85
℃
•
电源
电压范围:8V~18V
• 波特率:500k
• 负载突降过电压:32V
• 绝缘电阻:>500MΩ
• 塑料外壳材料:PA66-GF25 (UL 94V-0)
应用场景:
• 电池管理系统中的电流测量,适用于纯电动车、插电混合动力汽车及储能设备。
• 电流泄漏检测
• 重工业设备中的故障检测
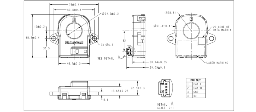
产品展示:
• CSNV700N 系列外形尺寸
• 机械参数
1.未注公差:±0.5mm
2.安装螺栓M6,推荐安装扭矩6Nm
3.外壳材质:PA66-GF25
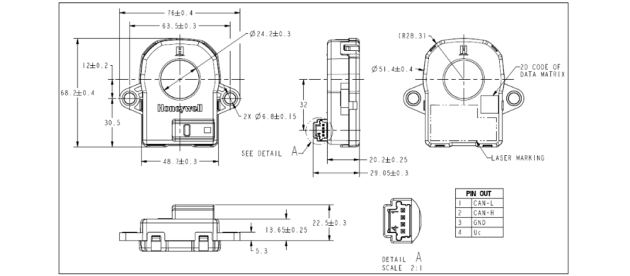
• CSNV700M 系列外形尺寸
• 机械参数
1.未注公差:±0.5mm
2.安装螺栓M6,推荐安装扭矩 最大3Nm
3.外壳材质:PA66-GF25
电源
0
0
收藏
分享
微信
微信扫码分享
QQ
新浪微博
资讯热榜
换一批
1
芯片互联技术分享(二)
2
一文熟悉人形机器人常用的四类感知传感器:视觉、力/力矩、触觉、IMU
3
全网首拆!深度拆小米YU7四合一域控模块——深度分析英伟达Thor智驾域控
4
欧姆龙电子血压计哪个型号好?哪款性价比最高?实测告诉你!
5
心率血氧传感器全解析:PPG、ECG国产化技术突破及趋势
6
霍尔、AMR、GMR、TMR的对比解析及技术趋势
7
【核芯观察】IMU惯性传感器上下游产业梳理(三)
8
芯片的详细制造流程
9
芯片互联技术分享(一)
10
电容传感器应用——水浸传感器
Goermicro SOT24-001 TOF传感器
上一篇
G6光电传感器:电子行业的创新引领者
下一篇
免责声明
1、本文内容版权归属原作者、原发表出处。若版权所有方对本文的引用持有异议,请联系感算商城(service@gansuan.com),我方将及时处理。
2、本文的引用仅供读者交流学习使用,不涉及商业目的。
3、本文内容仅代表作者观点,感算商城不对内容的准确性、可靠性或完整性提供明示或暗示的保证。读者阅读本文后做出的决定或行为,是基于自主意愿和独立判断做出的,请读者明确相关结果。
4、如需转载本方拥有版权的文章,请联系感算商城(service@gansuan.com)注明“转载原因”。未经允许私自转载感算商城将保留追究其法律责任的权利。
客服
微信
反馈
收起
顶部