详解大功率电源中MOSFET功耗的计算

来源:ADI(亚德诺)

作者:-

发布时间:2025-10-14

功率MOSFET是便携式设备中大功率开关的主要组成部分。此外,对于散热量极低的笔记本电脑来说,这些MOSFET是最难确定的元件。本文给出了计算MOSFET功耗以及确定其工作温度的步骤,并通过多相、同步整流、降压型CPU核中一个30A单相的分布计算示例,详细说明了上述概念

也许,今天的便携式电源设计者所面临的最严峻挑战就是为当今的高性能CPU提供电源。CPU的电源电流最近每两年就翻一番。事实上,今天的便携式核电源电流需求会高达60A或更多,电压介于0.9V和1.75V之间。但是,尽管电流需求在稳步增长,留给电源的空间却并没有增加—这个现实已达到了热设计的极限甚至超出。

如此高电流的电源通常被分割为两个或更多相,每一相提供15A到30A。这种方式使元件的选择更容易。例如,一个60A电源变成了两个30A电源。但是,这种方法并没有额外增加板上空间,对于热设计方面的挑战基本上没有多大帮助。

在设计大电流电源时,MOSFET是最难确定的元件。这一点在笔记本电脑中尤其显著,这样的环境中,散热器、风扇、热管和其它散热手段通常都留给了CPU。这样,电源设计常常要面临狭小的空间、静止的气流以及来自于附近其它元件的热量等不利因素的挑战。而且,除了电源下面少量的印制板铜膜外,没有任何其它手段可以用来协助耗散功率。

在挑选MOSFET时,首先是要选择有足够的电流处理能力,并具有足够的散热通道的器件。最后还要量化地考虑必要的热耗和保证足够的散热路径。本文将一步一步地说明如何计算这些MOSFET的功率耗散,并确定它们的工作温度。然后,通过分析一个多相、同步整流、降压型CPU核电源中某一个30A单相的设计实例,进一步阐明这些概念。

计算MOSFET的耗散功率
























为了确定一个MOSFET是否适合于某特定应用,你必须计算一下其功率耗散,它主要包含阻性和开关损耗两部分:

PDDEVICE TOTAL = PDRESISTIVE + PDSWITCHING

由于MOSFET的功率耗散很大程度上依赖于它的导通电阻(RDS(ON)),计算RDS(ON)看上去是一个很好的出发点。但是MOSFET的RDS(ON)与它的结温(TJ)有关。话说回来,TJ又依赖于MOSFET的功率耗散以及MOSFET的热阻(ΘJA)。这样,似乎很难找到一个着眼点。由于功率耗散的计算涉及到若干个相互依赖的因素,我们可以采用一种迭代过程获得我们所需要的结果(图1)。


图1. 该流程图展示了选择各MOSFET (同步整流器和开关MOSFET)的迭代过程。在这个过程中,各MOSFET的结温为假设值,两个MOSFET的功率耗散和允许环境温度通过计算得出。当允许的环境温度达到或略高于我们所期望的机箱内最高温度时(机箱内安装了电源及其所驱动的电路),这个过程就结束了。

迭代过程始于为每个MOSFET假定一个结温,然后,计算每个MOSFET各自的功率耗散和允许的环境温度。当允许的环境气温达到或略高于电源及其所驱动的电路所在的机壳的期望最高温度时,这个过程便结束了。

有些人总试图使这个计算所得的环境温度尽可能高,但通常这并不是一个好主意。这样作就要求采用更昂贵的MOSFET,在MOSFET下铺设更多的铜膜,或者要求采用一个更大、更快速的风扇产生气流—所有这些都不是我们所期望的。

从某种意义上讲,先假定一个MOSFET结温,然后再计算环境温度,这是一种逆向的考虑方法。毕竟环境温度决定了MOSFET的结温—而不是相反。不过,从一个假定的结温开始计算要比从环境温度开始容易一些。

对于开关MOSFET和同步整流器,我们可以选择一个最大允许的管芯结温(TJ(HOT))作为迭代过程的出发点。多数MOSFET的数据资料只规定了+25°C下的最大RDS(ON),不过最近有些MOSFET文档也给出了+125°C下的最大值。MOSFET的RDS(ON)随着温度而增加,典型温度系数在0.35%/°C至0.5%/°C之间(图2)。


图2. 典型功率MOSFET的导通电阻的温度系数在0.35%每度(绿线)至0.5%每度(红线)之间


如果拿不准,可以用一个较差的温度系数和MOSFET的+25°C规格(或+125°C规格,如果有的话)近似估算在选定的TJ(HOT)下的最大RDS(ON)

RDS(ON)HOT = RDS(ON)SPEC [1 + 0.005 × (TJ(HOT) - TSPEC)]

其中,RDS(ON)SPEC是计算所用的MOSFET导通电阻,TSPEC是规定RDS(ON)SPEC时的温度。利用计算出的RDS(ON)HOT,可以确定同步整流器和开关MOSFET的功率消耗,具体做法如下所述。

在下面的章节中,我们将讨论如何计算各个MOSFET在给定的管芯温度下的功率消耗,以及完成迭代过程的后续步骤(整个过程详述于图1)。

同步整流器的功耗
























除最轻负载以外,各种情况下同步整流器MOSFET的漏-源电压在打开和关闭过程中都会被续流二极管钳位。因此,同步整流器几乎没有开关损耗,它的功率消耗很容易计算。只需要考虑阻性损耗即可。

最坏情况下的损耗发生在同步整流器工作在最大占空比时,也就是当输入电压达到最大时。利用同步整流器的RDS(ON)HOT和工作占空比,通过欧姆定律,我们可以近似计算出它的功率消耗:

PDSYNCHRONOUS RECTIFIER = [ILOAD² × RDS(ON)HOT] × [1 - (VOUT/VINMAX)]

开关MOSFET的功耗
























开关MOSFET的阻性损耗计算和同步整流器非常相似,也要利用它的占空比(不同于前者)和RDS(ON)HOT

PDRESISTIVE = [ILOAD² × RDS(ON)HOT] × (VOUT/VIN)

开关MOSFET的开关损耗计算起来比较困难,因为它依赖于许多难以量化并且通常没有规格的因素,这些因素同时影响到打开和关闭过程。我们可以首先用以下粗略的近似公式对某个MOSFET进行评价,然后通过实验对其性能进行验证:

PDSWITCHING = (CRSS × VIN² × fSW × ILOAD)/IGATE

其中CRSS是MOSFET的反向传输电容(数据资料中的一个参数),fSW为开关频率,IGATE是MOSFET的栅极驱动器在MOSFET处于临界导通(VGS位于栅极充电曲线的平坦区域)时的吸收/源出电流。

一旦基于成本因素将选择范围缩小到了特定的某一代MOSFET (不同代MOSFET 的成本差别很大),我们就可以在这一代的器件中找到一个能够使功率耗散最小的器件。这个器件应该具有均衡的阻性和开关损耗。使用更小(更快)的MOSFET所增加的阻性损耗将超过它在开关损耗方面的降低,而更大(RDS(ON)更低) 的器件所增加的开关损耗将超过它对于阻性损耗的降低。

如果VIN是变化的,需要在VIN(MAX)和VIN(MIN)下分别计算开关MOSFET的功率耗散。MOSFET功率耗散的最坏情况可能会出现在最低或最高输入电压下。该耗散功率是两种因素之和:在VIN(MIN)时达到最高的阻性耗散(占空比较高),以及在VIN(MAX)时达到最高的开关损耗(由于VIN²项的缘故)。一个好的选择应该在VIN的两种极端情况下具有大致相同的耗散,并且在整个VIN范围内保持均衡的阻性和开关损耗。

如果损耗在VIN(MIN)时明显高出,则阻性损耗起主导作用。这种情况下,可以考虑用一个更大一点的开关MOSFET (或将一个以上的多个管子相并联)以降低RDS(ON)。但如果在VIN(MAX)时损耗显著高出,则应该考虑降低开关MOSFET的尺寸(如果是多管并联的话,或者去掉一个MOSFET),以便使其开关速度更快一点。

如果阻性和开关损耗已达平衡,但总功耗仍然过高,有多种办法可以解决:

  • 改变问题的定义。例如,重新定义输入电压范围。

  • 改变开关频率以便降低开关损耗,有可能使用更大一点的、RDS(ON)更低的开关MOSFET。

  • 增加栅极驱动电流,有可能降低开关损耗。MOSFET自身的内部栅极电阻最终限制了栅极驱动电流,实际上限制了这种方法的有效性。

  • 采用一个改进技术的MOSFET,以便同时获得更快的开关速度、更低的RDS(ON)和更低的栅极电阻。

脱离某个给定的条件对MOSFET的尺寸作更精细的调整是不大可能的,因为器件的选择范围是有限的。选择的底线是MOSFET在最坏情况下的功耗必须能够被耗散掉。

热阻
























下一步是要计算每个MOSFET周围的环境温度,在这个温度下,MOSFET结温将达到我们的假定值(按照前面图1所示的迭代过程,确定合适的MOSFET来作为同步整流器和开关MOSFET)。为此,首先需要确定每个MOSFET结到环境的热阻(ΘJA)。

热阻的估算可能会比较困难。单一器件在一个简单PCB上的ΘJA测算相对容易一些,而要在一个系统内去预测实际电源的热性能是很困难的,那里有许多热源在争夺有限的散热通道。如果有多个MOSFET被并联使用,其整体热阻的计算方法,和计算两个以上并联电阻的等效电阻一样。

我们可以从MOSFET的ΘJA规格开始。对于单一管芯、8引脚封装的MOSFET来讲,ΘJA通常接近于62°C/W。类型的封装,有些带有散热片或裸露的导热片,其热阻一般会在40°C/W至50°C/W (表1)。

表1. MOSFET封装的典型热阻


可以用下面的公式计算MOSFET的管芯相对于环境的温升:

TJ(RISE) = PDDEVICE TOTAL × ΘJA

接下来,计算导致管芯达到预定TJ(HOT)时的环境温度:

TAMBIENT = TJ(HOT) - TJ(RISE)

如果计算出的TAMBIENT低于机壳的最大额定环境温度(意味着机壳的最大额定环境温度将导致MOSFET的预定TJ(HOT)被突破),必须采用下列一条或更多措施:

  • 升高预定的TJ(HOT),但不要超出数据手册规定的最大值。

  • 选择更合适的MOSFET以降低MOSFET的功耗。

  • 通过增加气流或MOSFET周围的铜膜降低ΘJA

重算TAMBIENT (采用速算表可以简化计算过程,经过多次反复方可选出一个可接受的设计)。另一方面,如果计算出的TAMBIENT高出机壳的最大额定环境温度很多,可以采取下述可选步骤中的任何一条或全部:

  • 降低预定的TJ(HOT)

  • 减小专用于MOSFET散热的覆铜面积。

  • 采用更廉价的MOSFET。

最后这几个步骤是可选的,因为在此情况下MOSFET不会因过热而损坏。不过,通过这些步骤,只要保证TAMBIENT高出机壳最高温度一定裕量,我们可以降低线路板面积和成本。

上述计算过程中最大的误差源来自于ΘJA。你应该仔细阅读数据资料中有关ΘJA规格的所有注释。一般规范都假定器件安装在1in²的2oz铜膜上。铜膜耗散了大部分的功率,不同数量的铜膜ΘJA差别很大。例如,带有1in²铜膜的D-Pak封装ΘJA会达到50°C/W。但是如果只将铜膜铺设在引脚的下面,ΘJA将高出两倍(表1)。

如果将多个MOSFET并联使用,ΘJA主要取决于它们所安装的铜膜面积。两个器件的等效ΘJA可以是单个器件的一半,但必须同时加倍铜膜面积。也就是说,增加一个并联的MOSFET而不增加铜膜的话,可以使RDS(ON)减半但不会改变ΘJA很多。

最后,ΘJA规范通常都假定没有任何其它器件向铜膜的散热区传递热量。但在高电流情况下,功率通路上的每个元件,甚至是PCB引线都会产生热量。为了避免MOSFET过热,需仔细估算实际情况下的ΘJA,并采取下列措施:

  • 仔细研究选定MOSFET现有的热性能方面的信息。

  • 考察是否有足够的空间,以便设置更多的铜膜、散热器和其它器件。

  • 确定是否有可能增加气流。

  • 观察一下在假定的散热路径上,是否有其它显著散热的器件。

  • 估计一下来自周围元件或空间的过剩热量或冷量。

设计实例
























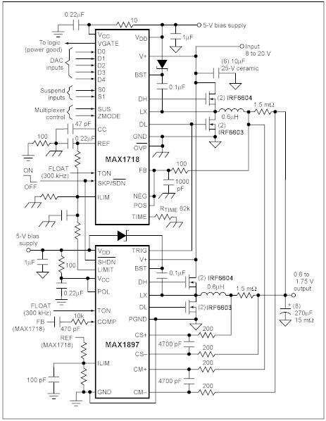
图3所示的CPU核电源提供1.5V/60A输出。两个工作于300kHz的相同的30A功率级总共提供60A输出电流。MAX1544 IC驱动两级电路,采用180°错相工作方式。该电源的输入范围7V至24V,机壳的最大额定环境温度为+60°C。


图3. 该降压型开关调节器中的MOSFET经由本文所述的迭代过程选出。板级设计者通常采用该类型的开关调节器驱动今天的高性能CPU。


同步整流器由两片并联的IRF6603 MOSFET组成,组合器件的最大RDS(ON)在室温下为2.75mΩ,在+125°C (预定的TJ(HOT))下近似为4.13mΩ。在最大占空比94%,30A负载电流,以及4.13mΩ最大RDS(ON)时,这些并联MOSFET的功耗大约为3.5W。提供2in²铜膜来耗散这些功率,总体ΘJA大约为18°C/W,该热阻值取自MOSFET的数据资料。组合MOSFET的温升将接近于+63°C,因此该设计应该能够工作在最高+60°C的环境温度下。

开关MOSFET由两只IRF6604 MOSFET并联组成,组合器件的最大RDS(ON)在室温下为6.5mΩ,在+125°C (预定的TJ(HOT))下近似为9.75mΩ。组合后的CRSS为380pF。MAX1544的1Ω高边栅极驱动器可提供将近1.6A的驱动。VIN = 7V时,阻性损耗为1.63W,而开关损耗近似为0.105W。输入为VIN = 24V时,阻性损耗为0.475W 而开关损耗近似为1.23W。总损耗在各输入工作点大致相等,最坏情况(最低VIN)下的总损耗为1.74W。

28°C/W的ΘJA将产生+46°C的温升,允许工作于最高+80°C的环境温度。若环境温度高于封装的最大规定温度,设计人员应考虑减小用于MOSFET的覆铜面积,尽管该步骤不是必须的。本例中的覆铜面积只单独考虑了MOSFET的需求。如果还有其它器件向这个区域散热的话,可能还需要更多的覆铜面积。如果没有足够的空间增加覆铜,则可以降低总功耗,传递热量到低耗散区,或者采用主动的办法将热量移走。

结论
























热管理是大功率便携式设计中难度较大的领域之一。这种难度迫使我们有必要采用上述迭代过程。尽管该过程能够引领板级设计者靠近最终设计,但是还必须通过实验来最终确定设计流程是否足够精确。计算MOSFET的热性能,为它们提供足够的耗散途径,然后在实验室中检验这些计算,这样有助于获得一个健壮的热设计。

0
0
收藏

免责声明

  • 1、本文内容版权归属原作者、原发表出处。若版权所有方对本文的引用持有异议,请联系感算商城(service@gansuan.com),我方将及时处理。
  • 2、本文的引用仅供读者交流学习使用,不涉及商业目的。
  • 3、本文内容仅代表作者观点,感算商城不对内容的准确性、可靠性或完整性提供明示或暗示的保证。读者阅读本文后做出的决定或行为,是基于自主意愿和独立判断做出的,请读者明确相关结果。
  • 4、如需转载本方拥有版权的文章,请联系感算商城(service@gansuan.com)注明“转载原因”。未经允许私自转载感算商城将保留追究其法律责任的权利。