MIMO收发器参考时钟耦合器的最佳选择

来源:ADI(亚德诺)

作者:-

发布时间:2025-10-14

MAX2470/MAX2471是一种灵活的、低成本、高反向传输隔离缓冲放大器,用于分立式或基于模块的VCO设计。该应用笔记主要叙述了MAX2470/MAX2471在MIMO收发器中作为参考时钟耦合器的基本工作情况和相关技术

基本工作原理


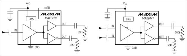
MAX2470/MAX2471是一种灵活的低成本、高反向传输隔离缓冲放大器,是分立式或基于模块的VCO设计的理想选择。两者都具有50Ω差分输出,能驱动一路差分(平衡)负载或两路独立的单端(不平衡) 50Ω负载。MAX2470提供单端输入,并有两个可选的工作频率范围:10MHz至500MHz和10MHz至200MHz。MAX2471提供差分输入,工作在10MHz至500MHz频率范围。MAX2470的工作电压范围为+2.7V至+5.5V。在-5dBm输出功率下,高频范围的工作电流为5.5mA,低频仅为3.6mA。MAX2471的工作电压范围为+2.7V至+5.5V,工作电流为5.5mA。


图1. MAX2470、MAX2471结构框图

输入考虑


MAX2470/MAX2471 (图1)具有较高的输入阻抗,可理想用作VCO低失真缓冲器。在基于晶体管的分立振荡器设计中,只须简单地将振荡器输出以交流耦合形式连接到输入端。缓冲器的高输入阻抗降低了负载对振荡器的影响,为了获得更大的输入阻抗、使负载影响降至最低,可以用L型匹配电路串联一个隔直电容匹配输入端。对于50Ω的VCO模块,在缓冲输入端接50Ω并联电阻,其后串联一个隔直电容,有助于保证稳定的50Ω终端匹配,并且提高反向隔离度。上述应用都需要高增益和较好的输入匹配,对于50Ω缓冲输入通常用简单的两元件匹配电路和一个串联的隔直电容进行匹配。

输出考虑


MAX2470/MAX2471提供全差分输出,能够驱动一个交流耦合的100Ω差分负载或两个交流耦合的50Ω单端负载。非常适合同时驱动两路(如一个混频器和一个锁相环)振荡器的应用。输出之间的高隔离度减小了各路负载之间的串扰。

布板和滤波


设计良好的PCB对于实现高效的RF/微波电路非常重要,高频输入、输出端须使用电阻受控的引线。使用去耦电容为滤波,并尽可能靠近VCC引脚放置。对于较长的VCC连线(电感),有必要在离器件较远处另外接入去耦电容。


GND布线也很重要,如果用PCB的顶层作为RF地,则将GND直接连接到该层。如果接地层不在元件层,最好在靠近元件处通过过孔将GND接到地层。

MIMO应用


MIMO应用中,多个RF收发器需要一个共同的参考源,因此参考时钟要通过很多支路传送到每一个收发器。收发器一般采用单端输入结构(即非平衡输入),因此,MAX2470的一个输出端口需要以50Ω端接,另一输出端分配到其它支路,分别接到每个收发器上。因为MAX2470的两个输出信号存在180°相差,不能将两个输出都用于MIMO。使用50Ω负载时,MAX2470的输出功率应设置为-5dBm或更低。设计者应核查分配到每个收发器芯片的信号功率,以满足收发器的最小参考电平。

结论


在满足所有条件的情况下,MAX2470/MAX2471 VCO缓冲放大器是MIMO收发器参考时钟耦合器的最佳选择。

0
0
收藏

免责声明

  • 1、本文内容版权归属原作者、原发表出处。若版权所有方对本文的引用持有异议,请联系感算商城(service@gansuan.com),我方将及时处理。
  • 2、本文的引用仅供读者交流学习使用,不涉及商业目的。
  • 3、本文内容仅代表作者观点,感算商城不对内容的准确性、可靠性或完整性提供明示或暗示的保证。读者阅读本文后做出的决定或行为,是基于自主意愿和独立判断做出的,请读者明确相关结果。
  • 4、如需转载本方拥有版权的文章,请联系感算商城(service@gansuan.com)注明“转载原因”。未经允许私自转载感算商城将保留追究其法律责任的权利。