申矽凌自动检测方向的开关型电平转换器产品系列

申矽凌自动检测方向的开关型电平转换器产品系列

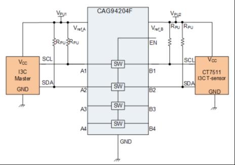
随着半导体制程的演进,新一代电子系统的主芯片的端口电压愈来愈低,但与之配套的外围器件(传感器、执行器、存储器等)出于成本、性能的考量,大多仍工作于较高的电压域。为了保证这些高电压外围设备与低压主控能够正常通信,需要在不同电压域系统之间接入电平转换器。 申矽凌可提供开关型电平转换器,满足各类通信端口(推挽或开漏)电平转换的需求。

上海申矽

卫星通信, 网络通信, 光纤通信, 通信, 数码/通信, 个人电脑, 半导体设备, 半导体封测, 功率半导体测试

新品介绍

2025-11-04
【突破通信边界】中国发布全球领先星间激光路由系统,太空互联网迎来

【突破通信边界】中国发布全球领先星间激光路由系统,太空互联网迎来"高速时代"

近日,一项名为"适用于星间激光通信超高带宽路由转发器系统"的发明专利(CN120729787A)的公布,标志着中国在高端星载通信设备领域取得关键突破。该系统以其高达960Gbps的交换容量、全自主抗辐照设计与轻量化低功耗特性,有望成为我国低轨卫星互联网星座的"主动脉",为真正的全球无缝覆盖奠定硬件基石。

卫星通信, 网络通信, 光纤通信, 通信, 卫星互联网, 互联网, 激光路由系统

行业动态

2025-11-03
京瓷首款全屏蔽0.4mm高速连接器5908系列新品上市

京瓷首款全屏蔽0.4mm高速连接器5908系列新品上市

近年来,随着通信功能和信息处理能力的提升,以智能手机为代表的通信终端以及智能手表等可穿戴设备的高功能化进程正在不断加速。 为解决这一课题,京瓷首次采用全屏蔽结构※1,能够有效抑制噪声的侵入与泄漏,成功开发出具有出色 EMI 特性※2 的 0.4 mm 间距板对板(Board to Board)连接器“5908 系列”。

KYOCERA(京瓷)

卫星通信, 办公通信设备, 网络通信, 数码/通信, 通信, 数据通信, 连接器, 高速连接器, 消费电子, 汽车电子, 电子生产线, 电机驱动, 工业电源

新品介绍

2025-10-23
通过单个触点增加控制、存储器、安全和混合信号功能

通过单个触点增加控制、存储器、安全和混合信号功能

供电通过以下方式实现:在数据传输过程中,总线状态为高时为从机的内部电容充电,总线状态为低时利用电容存储的电荷为器件供电。典型的1-Wire主机包括一个开漏极I/O端口,并通过电阻上拉至3V至5V电源。ADI还可提供更加完善的主机,这种主机带有线驱动器。采用这种智能通信技术,可随时方便、高效地增加存储器、认证和混合信号功能。

ADI(亚德诺)

卫星通信, 数据通信, 铁路系统设施(电力/信号/通信/网管), 网络通信, 数码/通信, 通信, 1-Wire, 控制器, 驱动器, 公共总线, 端口, 配件/开发模块, 模块, 数字图像设备, 智能电网, 电网自动化, 数据存储设备, 物流设备-数据处理类, 便携式数据终端, 汽车通讯及导航, 军事导航及通讯

技术分享

2025-10-14
内置英飞凌芯片,村田IoT无线模组实现三频通信

内置英飞凌芯片,村田IoT无线模组实现三频通信

株式会社村田制作所开发了一款小型无线模块“Type 2FY”。该模块内置英飞凌科技公司(Infineon Technologies)的Wi-Fi™/Bluetooth®/ Bluetooth® Low Energy集成芯片“CYW55513”,且支持Wi-Fi 6E标准,目前,该产品已经进入量产。

Murata(村田)

卫星通信, 网络通信, 光纤通信, 通信, 数码/通信, 智能零售, 智能安防, 智能制造, 智能家居, 人工智能AI

新品介绍

2025-09-23
1.0~7.125GHz的高隔离SPDT射频开关NT1821

1.0~7.125GHz的高隔离SPDT射频开关NT1821

NT1821是一款高隔离SPDT射频开关,支持Wi-Fi等无线通信系统,特别适用于Wi-Fi 7。 其特点是在高达 7.125GHz 的高频段内,端子间具有 40dB 的高隔离度。此外,它还实现了在 1.8V 低工作电压下的低损耗特性、高线性度,以及在 1.2V 的低切换电压下的控制。本产品内置了RF端口的隔直电容器,并采用了小型 1.0mm x 1.0mm 尺寸的封装,实现了超小型化,有助于减少实装面积。

Nisshinbo Micro Devices Inc.

卫星通信, 网络通信, 通信, 数据通信, 数码/通信, 光纤通信, NT1821, 射频开关, Wi-Fi 模块, 其他移动设备, 智能手机

新品介绍

2025-09-04
满足您防爆需求的Ethernet-APL解决方案

满足您防爆需求的Ethernet-APL解决方案

作为防爆机箱解决方案的主要组件,Ethernet-APL 导轨式现场交换机提供 Ex ic 和 Ex ia 两种版本。为了高效连接所需数量的现场设备,Ethernet-APL 导轨式现场交换机提供 8、16 或 24 个分支端口规格产品。此外,在一套Ethernet-APL 防爆机箱解决方案中可以安装多台 Ethernet-APL 导轨式现场交换机,也可与远程 I/O 系统、多路输入/输出设备或其它现场设备组合安装。

Pepperl+Fuchs(倍加福)

卫星通信, 办公通信设备, 网络通信, 光纤通信, 数码/通信, 数据通信, 通信, 基础设施, 防爆机箱

应用方案

2025-08-27
太阳能应用中的电力线通信

太阳能应用中的电力线通信

随着太阳能装置数量的增加,系统监控和安全的重要性也随之提高。在这种趋势下,有线通信起着关键作用。支持 NEC 2014、NEC2017 和 UL1741 模块级快速关断的 SunSpec® 快速关断 (RSD) 等安全标准构建于有线通信接口之上。除了大多数安装中都严格要求的快速关断功能外,许多系统中还添加了模块级电力电子 (MLPE) 监控。

Texas Instruments(德州仪器)

卫星通信, 办公通信设备, 网络通信, 光纤通信, 通信, 数据通信, 数码/通信, THVD8000, THS6222, THS6232

技术分享

2025-08-27
共模浪涌抑制的可行性方案—共模电感搭配过压器件

共模浪涌抑制的可行性方案—共模电感搭配过压器件

共模浪涌以前没有特别关注过,最近看到几个类似的应用,因此结合DeepSeek强大的功能与网上搜集到的经验分享,稍作整理归纳,供被共模浪涌困扰的小伙伴简单参考。 讲到浪涌抑制不得不先介绍一下EMC核心产品之一,共模电感,是一种用于抑制共模噪声的电子元件,广泛应用于电源、通信和信号线路中。它的主要作用是滤除电路中的共模干扰信号,同时允许差模信号(有用信号)通过。

Littelfuse(力特)

卫星通信, 办公通信设备, 网络通信, 光纤通信, 铁路系统设施(电力/信号/通信/网管), 数码/通信, 通信, 数据通信, 信号线路, 无人机电源, 移动电源, 消费类电源, 电源系统, 通用测试电源, 射频电源, 特种电源, 电源

技术分享

2025-08-21
电力通讯铁塔倾斜监测方案

电力通讯铁塔倾斜监测方案

电力通讯铁塔作为支撑电网与通信网络的核心基础设施,普遍具有高度高、分布广、环境复杂等特点。常年暴露于恶劣天气(如台风、冰雪、地震)或受地基沉降、机械振动等因素影响,易发生倾斜甚至倒塌,导致电网瘫痪、通信中断等严重后果。实时监测铁塔倾斜角度至关重要

Hengyi(衡益科技)

卫星通信, 铁路系统设施(电力/信号/通信/网管), 办公通信设备, 网络通信, 光纤通信, 数码/通信, 通信, 数据通信, 倾角仪, 倾角传感器, 电力通讯铁塔, 汽车通讯及导航, 军事导航及通讯, 电力巡检, 电力/新能源, 电力功率管理(EPM), 有源电力滤波, 新能源

应用方案

2025-07-29
高阻抗、宽频带、车规级的噪声对策铁氧体磁珠

高阻抗、宽频带、车规级的噪声对策铁氧体磁珠

近年来,汽车市场中已有越来越多的车辆使用高频无线通信,目前的主要用途为信息的传送;但今后,高频无线通信的应用将有望延伸至自动驾驶、包括V2X(Vehicle to Everything)在内的先进驾驶辅助系统(ADAS)以及各种安全应用场景。V2X以无线通信的方式将汽车与汽车(V2V: Vehicle to Vehicle)、汽车与道路标识或信号设备等基础设施(V2I: Vehicle to Infrastructure)连接,共享信息系统的统称。由于自动驾驶的关键在于共享周边信息,因此正在研究

Murata(村田)

卫星通信, 网络通信, 光纤通信, 数码/通信, 通信, 数据通信, 汽车电子

新品介绍

2025-07-08
国内老牌 “射频芯片” 企业重启IPO,是华为、小米等供应商!

国内老牌 “射频芯片” 企业重启IPO,是华为、小米等供应商!

7月3日,据证监会网站披露,声表面波射频芯片企业-好达电子(无锡市好达电子股份有限公司)在江苏证监局办理辅导备案登记,辅导券商为民生证券。 辅导备案报告显示,好达电子曾于2021年6月冲刺科创板,并于2021年11月26日顺利过会。 2022年12月26日,公司主动“撤单”。 2023年2月6日, 证监会终止其发行注册程序。

卫星通信, 网络通信, 光纤通信, 通信, 数码/通信, 数据通信, 物联网, 工业物联网(IIOT)

行业动态

2025-07-07
3.24亿!北京一MEMS研发商被收购,国家大基金退出

3.24亿!北京一MEMS研发商被收购,国家大基金退出

6月30日,赛微电子(300456)发布公告称,国家集成电路产业投资基金(以下简称“国家大基金”)拟通过公开挂牌方式转让其持有的赛莱克斯微电子科技(北京)有限公司(以下简称“赛莱克斯北京”)9.5%股权,目前该转让事项尚未获得国资监管部门审批。

卫星通信, 通信, 数码/通信, 网络通信, 汽车电子, 消费电子, 工业物联网(IIOT), 工业自动化, 智慧医疗, 家居医疗, 医疗, AI机器人, 机器人

行业动态

2025-07-07
提升光模块信息质量,头部企业会做哪些质量把控?

提升光模块信息质量,头部企业会做哪些质量把控?

全球AI快速发展,AI大模型(如ChatGPT、Sora等)的训练和应用,为了提升数据传输效率,越来越多的计算单元、服务器都加入了光模块。据行业预测,全球光模块市场规模预计2025年突破800亿美元,年均增长率达15%。在电子设备中,光模块的作用是在发送端,把电信号转换成光信号,通过光纤传送后,接收端再把光信号转换成电信号。光模块通常包括激光器(如VCSEL或EEL)、调制器、光探测器、光纤接口、驱动电路等组件。为了保证非常高效的传输,光模块各组成单在的生产制造中,均需进行高质量的把控。接下来,

优可测(Atometrics)

卫星通信, 网络通信, 光纤通信, 通信, 数码/通信, 数据通信

应用方案

2025-06-30
4通道磁耦数字隔离器CCi88140/1/2系列芯片

4通道磁耦数字隔离器CCi88140/1/2系列芯片

芯进电子宣布推出4通道磁耦数字隔离器CCi88140/1/2系列芯片,不同于国内常见的容隔离技术,CCi8814X完全基于最新一代“青城”高可靠性磁隔离平台设计,全系列按照车规AEC-Q100 grade1设计,是具有高速、高可靠性、高耐压、高抗干扰的四通道通用磁数字隔离器。

CrossChip(成都芯进)

卫星通信, 网络通信, 通信, 数码/通信, CCi8814X, 工业自动化, 汽车电子

新品介绍

2025-06-27
全球互联新时代:非地面网络(NTN)如何推动无缝通信

全球互联新时代:非地面网络(NTN)如何推动无缝通信

在当今这个高度互联的世界中,无缝连接已非奢侈,而是必备需求。尽管蜂窝网络和物联网(IoT)技术带来了深远的变革,但地球上仍有大量区域尚未覆盖地面通信基础设施。这一空白凸显了一种迫切需求,即能够实现真正全球覆盖的新型解决方案。非地面网络(NTN),尤其是利用近地轨道(LEO)卫星的技术,正引发全球通信范式变革,将连接延伸至偏远和服务欠发达的地区。

CEVA Technologies

卫星通信, 通信, 光纤通信, 网络通信

技术分享

2025-06-23
灵活性强的半导体TEC温控驱动模块

灵活性强的半导体TEC温控驱动模块

感算商城联合知名方案公司推出半导体 TEC 温控驱动模块,作为一款专业的温控设备,具备多样化的型号与出色性能。其涵盖多种型号,可适配 12V、24V、48V 不同输入电压范围,具有稳定的输入电压要求与大范围的输出电流调节能力,能够灵活满足单通道、多通道等不同规模的温控需求,控温精度可在 ±0.1℃、±0.01℃间选择,控温范围广泛,适应多种复杂温度实验场景,可选配多种温度传感器与通信接口,还可配备不同尺寸的显示屏,体积设计合理,适用于固体温度控制、实验、科研温度控制以及高低温实验等多种领域,为各

卫星通信, 通信, 光纤通信, 网络通信, 工业物联网(IIOT), 工业自动化, 医疗, 动物医疗

应用方案

2025-06-23
Ceva与Arm和SynaXG合作重新定义高能效5G NR处理,实现可持续LEO卫星和5G增强版本无线基础设施

Ceva与Arm和SynaXG合作重新定义高能效5G NR处理,实现可持续LEO卫星和5G增强版本无线基础设施

帮助智能边缘设备更可靠、更高效地连接、感知和推断数据的全球领先半导体产品和软件IP授权许可厂商Ceva公司(纳斯达克股票代码:CEVA) 宣布与Arm和SynaXG开展战略合作以提供定制先进5G增强版本 (5G-advanced)解决方案,为无线网络设备和卫星的5G NR处理带来无与伦比的能效。该解决方案也为无线基础设施市场的现有和新厂商提供了应对先进5G增强版本和迈向6G演进的低风险途径。

CEVA Technologies

卫星通信, 网络通信, 通信, 数据通信

应用方案

2025-06-23
申矽凌I2C开关芯片产品系列介绍

申矽凌I2C开关芯片产品系列介绍

I2C总线具有功耗低、抗扰强、走线少、没有严格的波特率要求等特点,常被用于外设的通信接口。典型的外设包括温度传感器、湿度传感器、电流检测器、环境光传感器、光模块、GPIO扩展芯片等。

上海申矽

CA9641, CA9545, 开关芯片, 存在地址冲突的场景, 智能化, 路由器/网关, 路由器, 企业路由器, 家用路由器, 核心路由器, 汽车电子, 工业自动化

新品介绍

2025-11-04
申矽凌GPIO扩展芯片介绍

申矽凌GPIO扩展芯片介绍

I/O扩展芯片属于ASIC,工程师使用时仅需要对内部寄存器进行简单的设定或者读取,生产时也不需要对芯片进行固件烧写,相较CPLD或FPGA等需要编程的器件更为简单友好。

上海申矽

I/O扩展芯片, 路由器/网关, 路由器, 企业路由器, 家用路由器, 核心路由器, 汽车电子, 工业自动化

新品介绍

2025-11-04
客服 微信 反馈
顶部