全面供货—第3代无线SoC集22nm工艺、顶尖安全和合规平台认证多重优势

全面供货—第3代无线SoC集22nm工艺、顶尖安全和合规平台认证多重优势

Silicon Labs(芯科科技)近日在奥斯汀举办的Works With峰会上宣布:其全新第三代无线SoC(Series 3)的首批产品SiMG301和SiBG301片上系统(SoC)现已全面供货。作为SixG301系列的首批产品,该芯片现已开始通过芯科科技及其全球授权分销合作伙伴供货。

Silicon Labs(芯科)

输电配电, SiMG301, 传感器, 驱动器, 芯片, 3D视觉控制器, 光谱共焦位移传感器-控制器, 运动传感器, 照明, 智能制造, 智能安防, 人工智能AI, 智能家居, 工业智能, 智能电网, 安防电子巡查系统, 电能质量, 汽车电子, 家用电器, 电子制造, 电力/新能源, 电网自动化, 工业电源, 电源系统, 电机驱动

新品介绍

2025-10-14
如何在LTspice中添加电压控制开关

如何在LTspice中添加电压控制开关

电压控制开关是 LTspice 的基本电路元件,能够以简洁的方式在电路中实现开路或短路行为,并支持在仿真过程中动态切换。完善原理图后,设计人员最终可能需要采用更精确的FET或开关模型,但在设计初期,较简单的开关元件无疑是更理想的选择。

ADI(亚德诺)

输电配电, LTspice, 开关(固态), 电流开关, 电容式物位开关, 开关, 电压传感器, 安防电子巡查系统, 电能质量, 汽车电子, 消费电子, 家用电器, 便携式电子产品, 移动电源, 电表, 电量测量, 电子制造, 电子生产线, 电力/新能源, 智能电网, 电力巡检, 电网自动化, 电源, 电控, 电源系统, 工业电源, 通信电源, 消费类电源, 电子测试设备, 电机驱动

应用方案

2025-10-14
无法接触顶部反馈电阻时的环路响应测量方案

无法接触顶部反馈电阻时的环路响应测量方案

为使电源稳定,需要一定的增益和相位裕量。通常,电源若具有至少45°的相位裕量和至少10 dB的增益裕量,便可视为稳定。为了测量这些值,通常要在 VOUT节点和顶部反馈电阻之间插入一个小电阻,然后在这个增加的电阻两端施加一个扰动信号,并在期望的频率范围内测量环路响应。如果用户能够接触到顶部反馈电阻,这种常规方法会很简便,因此很常用。

ADI(亚德诺)

输电配电, 模块, 电流传感器模块, 配件/开发模块, 安防电子巡查系统, 电能质量, 汽车电子, 电力功率管理(EPM), 消费电子, 电脑及外设, 家用电器, 便携式电子产品, 电脑外设和打印机, 电脑显示面板, 电表, 电子制造, 电子生产线, 电力/新能源, 电力巡检, 智能电网, 电网自动化, 电源系统, 消费类电源, 工业电源, 通信电源, 电子测试设备, 电机驱动

应用方案

2025-10-14
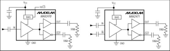
MIMO收发器参考时钟耦合器的最佳选择

MIMO收发器参考时钟耦合器的最佳选择

MAX2470/MAX2471是一种灵活的、低成本、高反向传输隔离缓冲放大器,用于分立式或基于模块的VCO设计。该应用笔记主要叙述了MAX2470/MAX2471在MIMO收发器中作为参考时钟耦合器的基本工作情况和相关技术。

ADI(亚德诺)

输电配电, MAX2470, MAX2471, 隔离缓冲放大器, 传感器放大器, 家用电器, 电表, 电气设备, 电子生产线, 电力/新能源, 智能电网, 电网自动化, 电控, 工业电源, 通信电源, 电机驱动, 物联网, 网络设备, 网络通信

应用方案

2025-10-14
高精度电流传感器新品盘点:EMC抗干扰、耐压值再升级

高精度电流传感器新品盘点:EMC抗干扰、耐压值再升级

随着科技的不断进步,电流传感器作为电力电子、工业自动化、新能源汽车等领域的核心组件,其重要性日益凸显。为了满足市场对高精度、高可靠性以及高性能的需求,各大厂商纷纷推出了最新的电流传感器产品。电流传感器主要是用于测量电流的电子设备,并能将检测感受到的电流信号按一定规律变换成为符合一定标准需

NOVOSENSE(纳芯微电子)

输电配电, ACS37030MY, ACS37220MZ, 霍尔电流传感器, 电流开关, TMR电流传感器, 罗氏线圈电流传感器, GMR电流传感器, 电流传感器, 磁通门电流传感器, 分流器, 复合电流传感器, 图像传输, 电源系统, 照明, 农业智能, 电力巡检, 人机界面, 特种电源, 步进驱动器, IP智能网络摄像机, 消弧, 仪器测量, 电梯, 智能表, 电池测试系统, UPS, 飞控, 电控, 智能助力系统, 清分机, 消防安全系统, 服务器电源, 矿山设备, 导航, 钢铁/冶金/煤矿/矿山, 载波通信, 无人机, 电子测试设备, GIS, 电子货架标签, 工业摄像机, HVAC系统, 变频驱动器, 收银机, 智能电网, 零售自动化和支付, 工业智能, 台式POS, 无刷电机驱动器, 通用测试电源, 勘探, 安防, 电池, 断路器, 高压开关, 分析仪表, 变压器, 燃料电池测试, 射频电源, POS打印机, 工业PC, 条码扫描机, 电调, 电机驱动, 功率半导体测试, 稳定陀螺仪, 运动控制, PLC/DCS/PAC, 伺服驱动器, 电网自动化, 智能交通摄像机, 楼宇自动化, 点钞机, 便携式数据终端, 无人机电源, 视频会议系统, 工业电源, 机器视觉, 工业自动化, 电源, 消费类电源, 通信电源, ATM, 半导体封测, 便携式POS, 冶金设备

新品介绍

2025-04-28
化工企业必看!最新政策导向出台,捷杰传感深度解读关键机泵状态监测场景建设

化工企业必看!最新政策导向出台,捷杰传感深度解读关键机泵状态监测场景建设

在化工生产中,设备劣化往往潜滋暗长,传统维护模式面临多重挑战: - 突发故障频发:关键机泵意外停机导致连锁停产,单次损失可达数百万;  - 过度维护成本高:周期性检修造成备件浪费,年均维护费用超预算20%;  - 数据支撑不足:人工记录易遗漏,故障溯源困难,重复维修率高达35%。

捷杰传感

输电配电, 电源系统, 照明, 智慧建筑, 农业智能, 人机界面, 特种电源, 步进驱动器, 数字施工, 智慧牧业, IP智能网络摄像机, 仪器测量, 电梯, 智能表, 电池测试系统, UPS, 物联网, 电控, 智能助力系统, 消防安全系统, 服务器电源, 智慧医疗, 智慧管廊, 导航, 载波通信, 智能制造, 电子测试设备, GIS, 工业摄像机, HVAC系统, 智慧能源, 变频驱动器, 工业能耗管理, 智能电网, 工业智能, 无刷电机驱动器, 通用测试电源, 安防, 电池, 车联网, 智能安防, 断路器, 智慧水务, 数字乡村, 分析仪表, 变压器, 智能家居, 智慧校园, 燃料电池测试, 射频电源, 高, 工业PC, 电机驱动, 功率半导体测试, 运动控制, PLC/DCS/PAC, 公共卫生, 智慧农业, 伺服驱动器, 工业物联网(IIOT), 智能交通摄像机, 楼宇自动化, 智慧环保, 智慧城市, 视频会议系统, 地质灾害监测, 工业电源, 机器视觉, 智慧物流, 工业自动化, 电源, 智能零售, 消费类电源, 通信电源, 数字矿山, 半导体封测

应用方案

2025-04-23
离心风机报警:基础刚度缺陷如何引发振动飙升?

离心风机报警:基础刚度缺陷如何引发振动飙升?

离心风机是化肥厂生产的关键设备之一,其运行的连续性与安全性直接影响到整个产线的效率与稳定。然而,在实际运行过程中,离心风机常面临监测数据不连续、故障预测准确性不足、维护人员专业知识匮乏以及历史数据分析困难等痛点。这些问题不仅增加设备故障的风险,还可能导致生产中断,进而影响企业经济效益。

捷杰传感

输电配电, 振动传感器, 运动传感器, 图像传输, 电源系统, 照明, 农业智能, 电力巡检, 人机界面, 特种电源, 步进驱动器, IP智能网络摄像机, 消弧, 仪器测量, 电梯, 智能表, 电池测试系统, UPS, 飞控, 电控, 智能助力系统, 清分机, 消防安全系统, 服务器电源, 矿山设备, 导航, 钢铁/冶金/煤矿/矿山, 载波通信, 无人机, 电子测试设备, GIS, 电子货架标签, 工业摄像机, HVAC系统, 变频驱动器, 收银机, 智能电网, 零售自动化和支付, 工业智能, 台式POS, 无刷电机驱动器, 通用测试电源, 勘探, 安防, 电池, 断路器, 高压开关, 分析仪表, 变压器, 燃料电池测试, 射频电源, POS打印机, 工业PC, 条码扫描机, 电调, 电机驱动, 功率半导体测试, 稳定陀螺仪, 运动控制, PLC/DCS/PAC, 伺服驱动器, 电网自动化, 智能交通摄像机, 楼宇自动化, 点钞机, 便携式数据终端, 无人机电源, 视频会议系统, 工业电源, 机器视觉, 工业自动化, 电源, 消费类电源, 通信电源, ATM, 半导体封测, 便携式POS, 冶金设备

应用方案

2025-04-29
变压器故障无处遁形!捷杰传感用“黑科技”让隐患秒级预警

变压器故障无处遁形!捷杰传感用“黑科技”让隐患秒级预警

电力变压器是电网的“心脏”,一旦故障可能引发大规模停电,损失不可估量。如何提前发现隐患,避免重大事故?捷杰传感全新推出的变压器振动在线监测技术方案,用AI+物联网技术实现24小时智能预警,让故障无处藏身!

捷杰传感

输电配电, 振动传感器, 运动传感器, 电网自动化, 载波通信, 断路器, 电力巡检, 高压开关, 变压器, GIS, 消弧, 智能表, 智能电网, 工业智能

应用方案

2025-04-29
立仪光谱共焦传感器:光伏花纹玻璃厚度精准测量新技术

立仪光谱共焦传感器:光伏花纹玻璃厚度精准测量新技术

光伏花纹玻璃亦称“光电玻璃”,利用太阳辐射发电,并具有相关电流引出装置的特种玻璃。它由玻璃、太阳能电池片、胶片、背面玻璃、特殊金属导线等组成,应用广泛,如太阳能智能窗,以及光伏玻璃幕墙等。 而在生产阶段需要将原料进行混合、熔化、压延、退火和切割等工艺才能制成光伏原片半成品。而在压延的过程中,产品的厚

LightE(立仪科技)

输电配电, 光学传感器, 光谱共焦位移传感器, 光谱共焦位移传感器-控制器, 图像传输, 电源系统, 照明, 农业智能, 电力巡检, 人机界面, 特种电源, 步进驱动器, IP智能网络摄像机, 消弧, 仪器测量, 电梯, 智能表, 电池测试系统, UPS, 飞控, 电控, 智能助力系统, 清分机, 消防安全系统, 服务器电源, 矿山设备, 导航, 钢铁/冶金/煤矿/矿山, 载波通信, 无人机, 电子测试设备, GIS, 电子货架标签, 工业摄像机, HVAC系统, 成像, 变频驱动器, 收银机, 智能电网, 零售自动化和支付, 工业智能, 台式POS, 无刷电机驱动器, 通用测试电源, 安防, 电池, 断路器, 高压开关, 分析仪表, 变压器, 燃料电池测试, 射频电源, POS打印机, 工业PC, 条码扫描机, 电调, 电机驱动, 功率半导体测试, 稳定陀螺仪, 运动控制, PLC/DCS/PAC, 伺服驱动器, 电网自动化, 智能交通摄像机, 楼宇自动化, 点钞机, 便携式数据终端, 无人机电源, 视频会议系统, 工业电源, 机器视觉, 工业自动化, 电源, 消费类电源, 通信电源, ATM, 半导体封测, 便携式POS, 冶金设备

应用方案

2025-04-28
光谱共焦传感器在活塞槽深槽宽测量中的应用

光谱共焦传感器在活塞槽深槽宽测量中的应用

在活塞生产制造中,精确测量槽深和槽宽至关重要。然而,传统测量方法面临诸多难题。活塞槽结构复杂,深度有限,内部表面可能粗糙且存在不规则,常规量具难以精准测量;同时,活塞材质多样,反光特性各异,易干扰测量信号,且生产线上对快速检测的需求难以被传统方法满足。

LightE(立仪科技)

输电配电, D35A7, 光学传感器, 光谱共焦位移传感器, 光谱共焦位移传感器-控制器, 图像传输, 电源系统, 照明, 农业智能, 电力巡检, 人机界面, 特种电源, 步进驱动器, IP智能网络摄像机, 消弧, 仪器测量, 电梯, 智能表, 电池测试系统, UPS, 飞控, 电控, 智能助力系统, 清分机, 消防安全系统, 服务器电源, 矿山设备, 导航, 钢铁/冶金/煤矿/矿山, 载波通信, 无人机, 电子测试设备, GIS, 电子货架标签, 工业摄像机, HVAC系统, 变频驱动器, 收银机, 智能电网, 零售自动化和支付, 工业智能, 台式POS, 无刷电机驱动器, 通用测试电源, 勘探, 安防, 电池, 断路器, 高压开关, 分析仪表, 变压器, 燃料电池测试, 射频电源, POS打印机, 工业PC, 条码扫描机, 电调, 电机驱动, 功率半导体测试, 稳定陀螺仪, 运动控制, PLC/DCS/PAC, 伺服驱动器, 电网自动化, 智能交通摄像机, 楼宇自动化, 点钞机, 便携式数据终端, 无人机电源, 视频会议系统, 工业电源, 机器视觉, 工业自动化, 电源, 消费类电源, 通信电源, ATM, 半导体封测, 便携式POS, 冶金设备

应用方案

2025-04-28
Rotronic新品|TF5A温度变送器

Rotronic新品|TF5A温度变送器

您在工业应用中是否对温度测量有着更高的要求?无论是在严苛环境下的坚固可靠,或者是更高/低温度测量的精确稳定,还是配置设备的简单快捷。隆重介绍下Rotronic新推出的温度变送器TF5A,看看它的产品性能是否落在了您的“心坎上”。

Rotronic(罗卓尼克)

输电配电, TF5A, RTD电阻, 数字温度传感器, 温度开关, 温控器, 红外温度传感器, NTC热敏电阻, 热电偶, 温度传感器, 温度变送器, PTC热敏电阻, 图像传输, 电源系统, 照明, 农业智能, 电力巡检, 人机界面, 特种电源, 步进驱动器, IP智能网络摄像机, 消弧, 仪器测量, 电梯, 智能表, 电池测试系统, UPS, 飞控, 电控, 智能助力系统, 清分机, 消防安全系统, 服务器电源, 矿山设备, 导航, 钢铁/冶金/煤矿/矿山, 载波通信, 无人机, 电子测试设备, GIS, 电子货架标签, 工业摄像机, HVAC系统, 变频驱动器, 收银机, 智能电网, 零售自动化和支付, 工业智能, 台式POS, 无刷电机驱动器, 通用测试电源, 勘探, 安防, 电池, 断路器, 高压开关, 分析仪表, 变压器, 燃料电池测试, 射频电源, POS打印机, 工业PC, 条码扫描机, 电调, 电机驱动, 功率半导体测试, 稳定陀螺仪, 运动控制, PLC/DCS/PAC, 伺服驱动器, 电网自动化, 智能交通摄像机, 楼宇自动化, 点钞机, 便携式数据终端, 无人机电源, 视频会议系统, 工业电源, 机器视觉, 工业自动化, 电源, 消费类电源, 通信电源, ATM, 半导体封测, 便携式POS, 冶金设备

新品介绍

2025-04-29
【新品速递】FF2122型光纤声传感器:用光纤“聆听”世界的奥秘

【新品速递】FF2122型光纤声传感器:用光纤“聆听”世界的奥秘

光纤传声器基本工作原理是发光二极管作为光源,通过光纤入射到有金属涂层的振动膜片上,当声音信号使振膜振动时,入射光被振膜振动调制后反射出去。接收光纤接收反射光,解调后则可还原成声信号。 光纤传声器的音频输出是基于标准音频线的模拟输出。它不需要任何额外的前置放大器或者放大器。每个光纤传声器在制作过程中都

奥音贝科技

输电配电, FF2122, 光纤传感器, 光学传感器, 图像传输, 电源系统, 照明, 农业智能, 电力巡检, 人机界面, 特种电源, 步进驱动器, IP智能网络摄像机, 消弧, 仪器测量, 电梯, 智能表, 电池测试系统, UPS, 飞控, 石油化工, 电控, 智能助力系统, 清分机, 消防安全系统, 服务器电源, 导航, 钢铁/冶金/煤矿/矿山, 载波通信, 无人机, 电子测试设备, GIS, 电子货架标签, 工业摄像机, HVAC系统, 成像, 变频驱动器, 收银机, 冶, 智能电网, 零售自动化和支付, 工业智能, 台式POS, 无刷电机驱动器, 通用测试电源, 安防, 电池, 断路器, 高压开关, 分析仪表, 变压器, 燃料电池测试, 射频电源, POS打印机, 工业PC, 条码扫描机, 电调, 电机驱动, 功率半导体测试, 稳定陀螺仪, 运动控制, PLC/DCS/PAC, 伺服驱动器, 电网自动化, 智能交通摄像机, 楼宇自动化, 点钞机, 便携式数据终端, 无人机电源, 视频会议系统, 工业电源, 机器视觉, 工业自动化, 电源, 消费类电源, 通信电源, ATM, 半导体封测, 便携式POS

新品介绍

2025-04-29
激光摊铺机的核心——莱赛激光控制系统

激光摊铺机的核心——莱赛激光控制系统

激光摊铺机是一种采用激光技术进行混凝土铺设和平整的现代化施工机械。 它通过激光发射器产生一个水平基准面,激光接收器则安装在摊铺机上,随着机器移动而移动,实时检测到基准面,并通过控制系统调整机器的高度和平整度,确保混凝土表面达到极高的平整度。

输电配电, LS712, LS376, LS533S, 激光测距传感器, 光电子产品, 激光聚焦光束传感器, 固态激光雷达, 激光传感器, 图像传输, 电源系统, 照明, 农业智能, 电力巡检, 人机界面, 特种电源, 步进驱动器, IP智能网络摄像机, 消弧, 仪器测量, 电梯, 智能表, 电池测试系统, UPS, 飞控, 电控, 智能助力系统, 清分机, 消防安全系统, 服务器电源, 矿山设备, 导航, 钢铁/冶金/煤矿/矿山, 载波通信, 无人机, 其他, 电子测试设备, GIS, 电子货架标签, 工业摄像机, HVAC系统, 变频驱动器, 收银机, 智能电网, 零售自动化和支付, 工业智能, 台式POS, 无刷电机驱动器, 通用测试电源, 安防, 电池, 断路器, 高压开关, 分析仪表, 变压器, 燃料电池测试, 射频电源, POS打印机, 工业PC, 条码扫描机, 电调, 电机驱动, 功率半导体测试, 稳定陀螺仪, 运动控制, PLC/DCS/PAC, 伺服驱动器, 电网自动化, 智能交通摄像机, 楼宇自动化, 点钞机, 便携式数据终端, 无人机电源, 视频会议系统, 工业电源, 机器视觉, 工业自动化, 电源, 消费类电源, 通信电源, ATM, 半导体封测, 便携式POS, 冶金设备

应用方案

2025-04-25
全球首款GESP融合视觉传感器 ALPIX-Pizol 发布

全球首款GESP融合视觉传感器 ALPIX-Pizol 发布

领先的融合视觉传感器研发商锐思智芯3月31日正式发布全球首款将全局曝光图像技术与EVS事件感知技术实现像素级融合的融合视觉传感器——ALPIX-Pizol®。作为全球首款将出色的暗光性能、高帧率运动捕捉、高光比动态成像和超低功耗感知特性集于一身的视觉传感器

输电配电, ALPIX-Pizol, 图像传输, 机器人, 电源系统, 照明, 农业智能, 电力巡检, 人机界面, 特种电源, 步进驱动器, IP智能网络摄像机, 消弧, 仪器测量, 电梯, 智能表, 电池测试系统, UPS, 飞控, 电控, 智能助力系统, 清分机, 消防安全系统, 服务器电源, 导航, 钢铁/冶金/煤矿/矿山, 载波通信, 无人机, 电子测试设备, GIS, 电子货架标签, 工业摄像机, HVAC系统, 成像, 变频驱动器, 收银机, 智能电网, 零售自动化和支付, 工业智能, 台式POS, 无刷电机驱动器, 通用测试电源, 安防, 电池, 断路器, 高压开关, 分析仪表, 变压器, 燃料电池测试, 射频电源, POS打印机, 工业PC, 条码扫描机, 电调, 电机驱动, 功率半导体测试, 稳定陀螺仪, 运动控制, PLC/DCS/PAC, 伺服驱动器, 电网自动化, 智能交通摄像机, 楼宇自动化, 智慧城市, 点钞机, 便携式数据终端, 无人机电源, 视频会议系统, 工业电源, 机器视觉, 工业自动化, 电源, 消费类电源, 通信电源, ATM, 半导体封测, 便携式POS

新品介绍

2025-04-25
毫厘之间的艺术:揭秘微米级精度的工业传感器

毫厘之间的艺术:揭秘微米级精度的工业传感器

你知道吗?我们的一根发丝它的直径普遍只有80到120微米。想象一下有这样一款传感器,它不仅可以检测到这根发丝是否到达了指定位置,甚至还能告诉你它究竟有多细,精确到微米级别。

CHANKO(长江传感)

输电配电, CMD, 激光测距传感器, 光电子产品, 激光聚焦光束传感器, 固态激光雷达, 激光传感器, 图像传输, 电源系统, 照明, 农业智能, 电力巡检, 人机界面, 特种电源, 步进驱动器, IP智能网络摄像机, 消弧, 仪器测量, 电梯, 智能表, 电池测试系统, UPS, 飞控, 电控, 智能助力系统, 清分机, 消防安全系统, 服务器电源, 矿山设备, 导航, 钢铁/冶金/煤矿/矿山, 载波通信, 无人机, 电子测试设备, GIS, 电子货架标签, 工业摄像机, HVAC系统, 变频驱动器, 收银机, 智能电网, 零售自动化和支付, 工业智能, 台式POS, 无刷电机驱动器, 通用测试电源, 勘探, 安防, 电池, 断路器, 高压开关, 分析仪表, 变压器, 燃料电池测试, 射频电源, POS打印机, 工业PC, 条码扫描机, 电调, 电机驱动, 功率半导体测试, 稳定陀螺仪, 运动控制, PLC/DCS/PAC, 伺服驱动器, 电网自动化, 智能交通摄像机, 楼宇自动化, 点钞机, 便携式数据终端, 无人机电源, 视频会议系统, 工业电源, 机器视觉, 工业自动化, 电源, 消费类电源, 通信电源, ATM, 半导体封测, 便携式POS, 冶金设备

技术分享

2025-04-24
光电传感器选型不迷茫 | 对射篇

光电传感器选型不迷茫 | 对射篇

想象一下,光电传感器就像是游戏里的侦查精灵,用 “光” 作为它的侦查武器,来判断有没有物体出现。在物流仓储、立体车库、包装印刷、饮料灌装这些现实世界的副本里,到处都有它忙碌的身影。

CHANKO(长江传感)

输电配电, 光学运动传感器, 光电开关, 心率传感器, 图像传感器, 计数传感器, 反射式光电传感器, 光电传感器, 光谱共焦位移传感器-控制器, 光纤传感器, 光学传感器, 荧光传感器, 光电晶体管, 光检测器, 光栅传感器, 色标传感器, 3D视觉控制器, 3D闪测传感器, 光电二极管, 对射式光电传感器, 光敏电阻, 工业相机, 环境光传感器, 红外遥控接收管, TOF传感器, 光谱共焦位移传感器, 颜色传感器, 图像传输, 电源系统, 照明, 农业智能, 电力巡检, 人机界面, 特种电源, 步进驱动器, IP智能网络摄像机, 消弧, 仪器测量, 电梯, 智能表, 电池测试系统, UPS, 飞控, 电控, 智能助力系统, 清分机, 消防安全系统, 服务器电源, 矿山设备, 导航, 钢铁/冶金/煤矿/矿山, 载波通信, 无人机, 电子测试设备, GIS, 电子货架标签, 工业摄像机, HVAC系统, 变频驱动器, 收银机, 智能电网, 零售自动化和支付, 工业智能, 台式POS, 无刷电机驱动器, 通用测试电源, 安防, 电池, 断路器, 高压开关, 分析仪表, 变压器, 燃料电池测试, 射频电源, POS打印机, 游戏, 工业PC, 条码扫描机, 电调, 电机驱动, 功率半导体测试, 稳定陀螺仪, 运动控制, PLC/DCS/PAC, 伺服驱动器, 电网自动化, 智能交通摄像机, 楼宇自动化, 点钞机, 便携式数据终端, 无人机电源, 视频会议系统, 工业电源, 机器视觉, 工业自动化, 电源, 消费类电源, 通信电源, ATM, 半导体封测, 便携式POS, 冶金设备

技术分享

2025-04-24
激光位移传感器在PCB板多层重叠检测中的应用

激光位移传感器在PCB板多层重叠检测中的应用

在电子产品的生产制造中,PCB板是电子元器件的支撑体和电气连接的关键,其质量直接影响产品性能。由于PCB板厚度极薄,在机台上容易出现重叠问题,从而导致废料的产生。结合机台运动时存在抖动的情况,传统的检测方法无法准确、稳定地检测出PCB板的多层重叠,进而影响企业的生产效率和产品质量。

TronSight(创视智能)

输电配电, 激光测距传感器, 光电子产品, 激光聚焦光束传感器, 固态激光雷达, 激光传感器, 图像传输, 电源系统, 照明, 农业智能, 电力巡检, 人机界面, 特种电源, 步进驱动器, IP智能网络摄像机, 消弧, 仪器测量, 电梯, 智能表, 电池测试系统, UPS, 飞控, 电控, 智能助力系统, 清分机, 消防安全系统, 服务器电源, 矿山设备, 导航, 钢铁/冶金/煤矿/矿山, 载波通信, 无人机, 电子测试设备, GIS, 电子货架标签, 工业摄像机, HVAC系统, 变频驱动器, 收银机, 智能电网, 零售自动化和支付, 工业智能, 台式POS, 无刷电机驱动器, 通用测试电源, 勘探, 安防, 电池, 断路器, 高压开关, 分析仪表, 变压器, 燃料电池测试, 射频电源, POS打印机, 工业PC, 条码扫描机, 电调, 电机驱动, 功率半导体测试, 稳定陀螺仪, 运动控制, PLC/DCS/PAC, 伺服驱动器, 电网自动化, 智能交通摄像机, 楼宇自动化, 点钞机, 便携式数据终端, 无人机电源, 视频会议系统, 工业电源, 机器视觉, 工业自动化, 电源, 消费类电源, 通信电源, ATM, 半导体封测, 便携式POS, 冶金设备

应用方案

2025-04-24
国巨与美蓓亚三美竞购热敏电阻企业芝浦电子:一场激烈的并购大战

国巨与美蓓亚三美竞购热敏电阻企业芝浦电子:一场激烈的并购大战

近期,电子元件行业迎来了一场备受瞩目的跨国并购大战,主角分别是台湾被动元件巨头国巨公司和日本轴承及电子零部件制造商美蓓亚三美,而被收购方则是日本热敏电阻市场领导者芝浦电子。

Yageo Nexensos(国巨)

输电配电, RTD电阻, 数字温度传感器, 温度开关, 温控器, 红外温度传感器, NTC热敏电阻, 热电偶, 温度传感器, 温度变送器, PTC热敏电阻, 图像传输, 电源系统, 照明, 农业智能, 电力巡检, 人机界面, 特种电源, 步进驱动器, IP智能网络摄像机, 消弧, 仪器测量, 电梯, 智能表, 电池测试系统, UPS, 飞控, 电控, 智能助力系统, 清分机, 消防安全系统, 服务器电源, 矿山设备, 导航, 钢铁/冶金/煤矿/矿山, 载波通信, 无人机, 其他, 电子测试设备, GIS, 电子货架标签, 工业摄像机, HVAC系统, 变频驱动器, 收银机, 智能电网, 零售自动化和支付, 工业智能, 台式POS, 无刷电机驱动器, 通用测试电源, 安防, 电池, 断路器, 高压开关, 分析仪表, 变压器, 燃料电池测试, 射频电源, POS打印机, 工业PC, 条码扫描机, 电调, 电机驱动, 功率半导体测试, 稳定陀螺仪, 运动控制, PLC/DCS/PAC, 伺服驱动器, 电网自动化, 智能交通摄像机, 楼宇自动化, 点钞机, 便携式数据终端, 无人机电源, 视频会议系统, 工业电源, 机器视觉, 工业自动化, 电源, 消费类电源, 通信电源, ATM, 半导体封测, 便携式POS, 冶金设备

行业动态

2025-04-24
创视智能激光位移传感器测量精密工件段差

创视智能激光位移传感器测量精密工件段差

在现代工业生产中,对于各类精密小件的测量要求日益严苛,尤其是段差测量,这关乎产品质量的精细把控与后续装配的精准度。因此,选择一款高性能的测量工具显得尤为重要。创视智能激光位移传感器凭借其高精度、非接触式的测量方式,能够迅速、准确地测量出物体的位移、高度或段差等关键尺寸参数,成为测量精密小件段差的理想

TronSight(创视智能)

输电配电, 激光测距传感器, 光电子产品, 激光聚焦光束传感器, 固态激光雷达, 激光传感器, 图像传输, 电源系统, 照明, 农业智能, 电力巡检, 人机界面, 特种电源, 步进驱动器, IP智能网络摄像机, 消弧, 仪器测量, 电梯, 智能表, 电池测试系统, UPS, 飞控, 电控, 智能助力系统, 清分机, 消防安全系统, 服务器电源, 矿山设备, 导航, 钢铁/冶金/煤矿/矿山, 载波通信, 无人机, 电子测试设备, GIS, 电子货架标签, 工业摄像机, HVAC系统, 变频驱动器, 收银机, 智能电网, 零售自动化和支付, 工业智能, 台式POS, 无刷电机驱动器, 通用测试电源, 勘探, 安防, 电池, 断路器, 高压开关, 分析仪表, 变压器, 燃料电池测试, 射频电源, POS打印机, 工业PC, 条码扫描机, 电调, 电机驱动, 功率半导体测试, 稳定陀螺仪, 运动控制, PLC/DCS/PAC, 伺服驱动器, 电网自动化, 智能交通摄像机, 楼宇自动化, 点钞机, 便携式数据终端, 无人机电源, 视频会议系统, 工业电源, 机器视觉, 工业自动化, 电源, 消费类电源, 通信电源, ATM, 半导体封测, 便携式POS, 冶金设备

应用方案

2025-04-24
又一家惯性传感器企业完成数千万元Pre-A轮融资  加速高端惯性传感器国产替代

又一家惯性传感器企业完成数千万元Pre-A轮融资 加速高端惯性传感器国产替代

同创伟业成员企业——北京中科航芯科技有限责任公司(以下简称“中科航芯”)近日宣布完成数千万元A+轮融资。

输电配电, IMU惯性单元, 运动传感器, 图像传输, 电源系统, 照明, 农业智能, 电力巡检, 人机界面, 特种电源, 步进驱动器, IP智能网络摄像机, 消弧, 仪器测量, 电梯, 智能表, 电池测试系统, UPS, 飞控, 电控, 智能助力系统, 清分机, 消防安全系统, 服务器电源, 导航, 钢铁/冶金/煤矿/矿山, 载波通信, 无人机, 电子测试设备, GIS, 电子货架标签, 工业摄像机, HVAC系统, 变频驱动器, 收银机, 智能电网, 零售自动化和支付, 工业智能, 台式POS, 无刷电机驱动器, 通用测试电源, 安防, 电池, 断路器, 高压开关, 分析仪表, 变压器, 燃料电池测试, 射频电源, POS打印机, 工业PC, 矿山, 条码扫描机, 电调, 电机驱动, 功率半导体测试, 稳定陀螺仪, 运动控制, PLC/DCS/PAC, 伺服驱动器, 电网自动化, 智能交通摄像机, 楼宇自动化, 点钞机, 便携式数据终端, 无人机电源, 视频会议系统, 工业电源, 机器视觉, 工业自动化, 电源, 消费类电源, 轨道交通, 通信电源, ATM, 半导体封测, 便携式POS, 冶金设备

行业动态

2025-04-24
客服 微信 反馈
顶部