Power On-the-Go:瑞萨电子的先进便携式电源系统

Power On-the-Go:瑞萨电子的先进便携式电源系统

在当今移动性日益增强的世界中,对高效、多功能和便携式电源解决方案的需求不断增长。无论是用于户外活动、远程工作设置还是紧急备用系统,用户都需要能够处理多种设备和能源输入的可靠电源。瑞萨电子开发了一套先进的便携式电源系统,旨在提供高性能和灵活性的全面解决方案,以满足这些需求。该解决方案特别适用于便携式发电站、储能系统(ESS)、不间断电源(UPS)甚至电动汽车(EV)充电等应用。此外,瑞萨电子的R-BMS F固定固件解决方案简化了这些便携式电源系统中的电池电量计量功能。

Renesas(瑞萨电子)

便携式电源系统, 电源系统, 便携式电源, 电源, 无人机电源, 移动电源, 特种电源, 射频电源, 通用测试电源, 消费类电源, 电动汽车, 汽车电子

技术分享

2025-07-14
详析开关电源中的电感电流测量

详析开关电源中的电感电流测量

开关电源通常使用电感来临时储能。在评估这些电源时,测量电感电流通常有助于了解完整的电压转换电路。但测量电感电流的最佳方法是什么?

ADI(亚德诺)

电源系统, 电源, 移动电源, 电源, 工业电源, 消费类电源, 通信电源, 稳压器, 开关(固态), 电流开关, 开关, 电容式物位开关, 汽车电子, 电能质量, 消费电子, 家用电器, 便携式电子产品, 电表, 电子制造, 电子生产线, 电力/新能源, 智能电网, 电网自动化, 电机驱动

应用方案

2025-10-14
详析增强电动汽车电池安全性的汽车安全认证器

详析增强电动汽车电池安全性的汽车安全认证器

车电气化趋势已势不可挡。这一变革将有助于减少污染和化石燃料的消耗,为环境保护和可持续发展带来显著的好处。当前的技术进步正在加速电气化进程,如今的电动汽车在一次充电后的续航里程已可媲美加满油的传统内燃机汽车,同时在加速性能方面也毫不逊色,甚至更胜一筹。

ADI(亚德诺)

电源系统, 电源, 电源, 消费类电源, 汽车动力系统类, 汽车防盗系统(EAS), 配件/开发模块, 模块, 车联网, 汽车电子, 整车车身控制, 汽车仪表与显示(EIS), 汽车通讯及导航, 汽车安全与舒适类, 车身域, 车身控制模块(BCM), 工业物联网(IIOT), 网络设备, 电网自动化

技术分享

2025-10-14
低损耗LED驱动器:助力电源系统绿色转型,节能高效

低损耗LED驱动器:助力电源系统绿色转型,节能高效

现今有很多不同的方案可以为高亮度LED供电。由于多数系统采用电池供电,能效成为延长电池使用寿命和系统工作时间的关键,提高电池的使用效率还有助于加快系统的“绿色”进程。在电池的有效使用期限内,相同充电次数下,延长两次充电之间的时间间隔有可能使电池的有效使用时间延长数百小时。这意味着送到垃圾填埋场或危险废物处理场进行销毁的电池数量会大大降低。

ADI(亚德诺)

MAX9938T, 检流放大器

应用方案

2025-05-09
瑞萨电子推出全新GaN FET,增强高密度功率转换能力,适用于AI数据中心、工业及电源系统应用

瑞萨电子推出全新GaN FET,增强高密度功率转换能力,适用于AI数据中心、工业及电源系统应用

全球半导体解决方案供应商瑞萨电子(TSE:6723)宣布推出三款新型高压650V GaN FET——TP65H030G4PRS、TP65H030G4PWS和TP65H030G4PQS,适用于人工智能(AI)数据中心和服务器电源(包括新型800V高压直流架构)、电动汽车充电、不间断电源电池备份设备、电池储能和太阳能逆变器。此类第四代增强型(Gen IV Plus)产品专为多千瓦级应用设计,将高效GaN技术与硅基兼容栅极驱动输入相结合,显著降低开关功率损耗,同时保留硅基FET的操作简便性。新产品提供

Renesas(瑞萨电子)

不间断电源电池备份设备, TP65H030G4PRS, TP65H030G4PWS, TP65H030G4PQS, 太阳能逆变器, 电池储能, 电动汽车充电, 人工智能AI, 储能消防, 储能电池包, 储能BMS, 储能PCS, 储能

新品介绍

2025-07-14
Bourns® CRF2010 电流检测电阻重磅登场

Bourns® CRF2010 电流检测电阻重磅登场

Bourns 宣布扩展其符合 AEC-Q200 标准车规级 CRF 系列电流检测电阻推出采用 SMD 2010 紧凑型封装新款产品。Bourns 所设计的 CRF2010 型号,旨在满足电池管理系统 (BMS)、开关模式电源供应器 (SMPS)、马达控制、电动车 (EV) 车载电源电流控制、逆变器相电流检测及机器人电流控制等应用中,对小尺寸、高精度阻值及电阻公差的需求。

Bourns(伯恩斯)

电源系统, 移动电源, 工业电源, 铁路系统设施(电力/信号/通信/网管), CRF2010, PTC热敏电阻, NTC热敏电阻, RTD电阻, 湿敏电阻, 光敏电阻, 电阻式湿敏传感器, 海洋仪表, 海洋工程, 海洋资源开发, 海洋技术, 海洋探测, 电能质量, 有源电力滤波, 光风电储充, 储能电池包, 汽车电子, 消费电子, 家用电器, 便携式电子产品, 电量测量, 电子制造, 电气设备, 电子生产线, 电力/新能源, 智能电网, 电网自动化, 电池

新品介绍

2025-10-21
强劲功率 · 紧凑封装

强劲功率 · 紧凑封装

Bourns 推出全新 Riedon™ 系列功率电阻。此系列采用紧凑型 TO-247 封装,具备坚固耐用、高功率的厚膜电阻特性,能在搭配散热器时提供高达 100 W 的输出功率,并可承受最高 700 V 的工作电压,具备优异的散热效率与市场需求的高功率性能。该系列采用厚膜技术,为工业马达驱动、电源转换及电池储能系统中的限流、电流测量、吸收电路以及电容放电等功能,提供高可靠性、紧凑且具成本效益的解决方案。

Bourns(伯恩斯)

电源系统, 电源, 消费类电源, 工业电源, PF2472, 厚膜电阻, NTC热敏电阻, PTC热敏电阻, RTD电阻, 电阻式湿敏传感器, 光敏电阻, 湿敏电阻, 电能质量, 光风电储充, 有源电力滤波, 汽车电子, 家用电器, 便携式电子产品, 白色家电, 电动自行车, 小家电, 电表, 电量测量, 电子制造, 电气设备, 电子生产线, 电力/新能源, 智能电网, 电网自动化, 电机驱动

新品介绍

2025-10-21
以简便方式实现转变;通过 PWM 全桥实现 ZVS

以简便方式实现转变;通过 PWM 全桥实现 ZVS

全桥转换器为隔离式电源转换提供了一种高效的解决方案 (图 1)。在该拓扑内,控制方法的选择将影响转换器的整体性能。大多数工程师仅考虑硬开关全桥 (HSFB) 或相移全桥 (PSFB)。在本期电源设计小贴士中,将演示对脉宽调制 (PWM) 控制的全桥的简单修改,该全桥可以通过实现零电压开关 (ZVS) 来提高效率,并消除变压器绕组上的谐振振铃。

Texas Instruments(德州仪器)

电源系统, 电源, 工业电源, 安防电子巡查系统, 铁路系统设施(电力/信号/通信/网管), 电能质量, 汽车电子, 电动车窗/车门, 消费电子, 家用电器, 便携式电子产品, 电动滑板车, 电动自行车, 电表, 电子制造, 电气设备, 电子生产线, 电力/新能源, 电网自动化, 电力巡检, 智能电网, 电机驱动, 电子测试设备

技术分享

2025-10-15
TDK InsuGate 变压器升级!适配 DC 1000 V,高绝缘场景有了更紧凑方案

TDK InsuGate 变压器升级!适配 DC 1000 V,高绝缘场景有了更紧凑方案

对电动汽车动力总成、工业设备这类对绝缘性能要求严苛的场景来说,栅极驱动变压器的电压适配能力至关重要。现在,TDK 为爱普科斯(EPCOS)InsuGate 系列带来全新升级 —— 将 SMT 栅极驱动变压器的适配系统工作电压扩展至 DC 1000 V,进一步丰富产品选择。这款新元件的订购代码为 B78541A25,不仅符合 IEC 61558-1/2-16 标准的基本绝缘要求,还能帮全桥逆变模块实现更紧凑的栅极驱动设计,为高绝缘需求场景提供更适配的解决方案。

TDK-Micronas

电源系统, 移动电源, 电源, 消费类电源, 工业电源, 通信电源, SMT, 栅极驱动变压器, 驱动变压器, 变压器, 汽车电子, 消费电子, 电机驱动, 电控, 智能电网

应用方案

2025-10-14
全面优化:FG23L适用超低功耗、长距离物联网开发

全面优化:FG23L适用超低功耗、长距离物联网开发

芯科科技(Silicon Labs)持续扩展高性价比的Sub-GHz解决方案阵容,并于近期新增FG23L SoC产品系列,为资源受限的物联网应用带来兼具高性能和精简的内存占用的理想解决方案。这一“精简版”产品旨在为电池供电的传感器节点、远程钥匙、智能城市传感器、楼宇自动化、资产跟踪器以及需要经济高效、长距离功能的其他设备实现性能、成本和效率兼具的价值。

Silicon Labs(芯科)

电源系统, 移动电源, 消费类电源, 工业电源, 通信电源, 电池测试系统, FG23L, 无线, 传感器, 芯片, 芯片温度传感器, 储能电池包, 笔记本电池, 燃料电池测试, 电池, 电能质量, 汽车电子, 消费电子, 智能电网, 电机驱动, 楼宇自动化

应用方案

2025-10-14
基于1千个Wi-SUN节点测试网络验证智能电表SLA合规性

基于1千个Wi-SUN节点测试网络验证智能电表SLA合规性

Silicon Labs(芯科科技)在包含1,000个节点的内部测试平台中对旗下的Wi-SUN 解决方案进行了广泛验证。这些评估提供了令人信服的证据,表明我们的实施方案不仅在理论上满足了高级计量基础设施(AMI)领域的关键服务水平协议(Service Level Agreement, SLA)标准,而且为市场的大规模部署做好了充分准备。

Silicon Labs(芯科)

电源系统, 消费类电源, 电源, 铁路系统设施(电力/信号/通信/网管), 智能电表, 电表, 芯片, 消费电子, 电机驱动, 智能电网, 电网自动化, 电子生产线, 电表, 电子制造, 汽车电子, 物联网, 工业物联网(IIOT), 车联网, 网络通信, 网络设备, 路由器/网关, 网关

应用方案

2025-10-14
全面供货—第3代无线SoC集22nm工艺、顶尖安全和合规平台认证多重优势

全面供货—第3代无线SoC集22nm工艺、顶尖安全和合规平台认证多重优势

Silicon Labs(芯科科技)近日在奥斯汀举办的Works With峰会上宣布:其全新第三代无线SoC(Series 3)的首批产品SiMG301和SiBG301片上系统(SoC)现已全面供货。作为SixG301系列的首批产品,该芯片现已开始通过芯科科技及其全球授权分销合作伙伴供货。

Silicon Labs(芯科)

电源系统, 工业电源, 安防电子巡查系统, SiMG301, 传感器, 驱动器, 芯片, 3D视觉控制器, 光谱共焦位移传感器-控制器, 运动传感器, 照明, 智能制造, 智能安防, 人工智能AI, 智能家居, 工业智能, 智能电网, 电能质量, 汽车电子, 家用电器, 电子制造, 电力/新能源, 电网自动化, 输电配电, 电机驱动

新品介绍

2025-10-14
搭载罗姆SiC MOSFET的舍弗勒逆变砖开始量产

搭载罗姆SiC MOSFET的舍弗勒逆变砖开始量产

全球知名半导体制造商罗姆(总部位于日本京都市)与德国大型汽车零部件供应商舍弗勒集团(总部位于德国赫尔佐根奥拉赫,以下简称“舍弗勒”)宣布,作为战略合作伙伴关系的重要里程碑,舍弗勒开始量产搭载罗姆SiC(碳化硅)MOSFET裸芯片的新型高电压逆变砖。这是面向中国大型汽车制造商设计的产品。

Rohm(罗姆)

电源系统, 电源, 工业电源, 消费类电源, 汽车动力系统类, 逆变器, 逆变砖, 芯片, 汽车电子, 汽车通讯及导航, 汽车仪表与显示(EIS), 车联网, 整车车身控制, 车身域, 车身控制模块(BCM)

行业动态

2025-10-14
避免隔离设计的隐藏成本

避免隔离设计的隐藏成本

不可否认,电气系统变得更小、更轻,汽车电气化就是一个最好的例子。随着汽车电气化程度的提高,越来越多的电气组件和系统需要隔离,例如配备400 V直流电池组的电动汽车正变得越来越普遍,这带来明显的安全隐患。

ADI(亚德诺)

电源系统, 无人机电源, 工业电源, 通信电源, 反激式分离器件, 转换器, 配件/开发模块, 模块, 功率器件模块, 功率器件开发套件, 辅助器件, 汽车电子, 电动车窗/车门, 消费电子, 家用电器, 便携式电子产品, 智能电视, 电子制造, 电气设备, 电子生产线, 电力/新能源, 输配电设备, 智能电网, 电网自动化, 电控, 电机驱动, 无刷电机驱动器

应用方案

2025-10-14
如何设计PCB布局以提升半桥GaN驱动器性能

如何设计PCB布局以提升半桥GaN驱动器性能

近年来,氮化镓(GaN)技术凭借其相较于传统硅MOSFET的优势,包括更低的寄生电容、无体二极管、出色的热效率和紧凑的尺寸,极大地改变了半导体行业。GaN器件变得越来越可靠,并且能够在很宽的电压范围内工作。现在,GaN器件已被广泛用于消费电子产品、汽车电源系统等众多应用,有效提升了效率和功率密度。

ADI(亚德诺)

电源系统, 移动电源, 电源, 消费类电源, 通信电源, 工业电源, 汽车动力系统类, LT8418, 半导体, 氮化镓, 光电二极管, 汽车电子, 消费电子, 电子制造, 电子生产线, 便携式电子产品, 汽车通讯及导航, 汽车仪表与显示(EIS)

应用方案

2025-10-14
如何在LTspice中添加电压控制开关

如何在LTspice中添加电压控制开关

电压控制开关是 LTspice 的基本电路元件,能够以简洁的方式在电路中实现开路或短路行为,并支持在仿真过程中动态切换。完善原理图后,设计人员最终可能需要采用更精确的FET或开关模型,但在设计初期,较简单的开关元件无疑是更理想的选择。

ADI(亚德诺)

电源系统, 移动电源, 电源, 工业电源, 通信电源, 消费类电源, 安防电子巡查系统, LTspice, 开关(固态), 电流开关, 电容式物位开关, 开关, 电压传感器, 电能质量, 汽车电子, 消费电子, 家用电器, 便携式电子产品, 电表, 电量测量, 电子制造, 电子生产线, 电力/新能源, 智能电网, 电力巡检, 电网自动化, 输电配电, 电控, 电子测试设备, 电机驱动

应用方案

2025-10-14
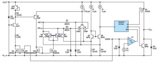
如何直接测量运算放大器输入差分电容?

如何直接测量运算放大器输入差分电容?

入电容可能会成为高阻抗和高频运算放大器(op amp)应用的一个主要规格。值得注意的是,当光电二极管的结电容较小时,运算放大器的输入电容会成为噪声和带宽问题的主导因素。

ADI(亚德诺)

电源系统, 消费类电源, 通信电源, 安防电子巡查系统, 放大器, 输入电容, 电容式物位传感器, 电容式物位开关, 汽车电子, 消费电子, 电脑及外设, 家用电器, 便携式电子产品, 电表, 电子制造, 电子生产线, 电力/新能源, 智能电网, 电网自动化, 电机驱动

应用方案

2025-10-14
无法接触顶部反馈电阻时的环路响应测量方案

无法接触顶部反馈电阻时的环路响应测量方案

为使电源稳定,需要一定的增益和相位裕量。通常,电源若具有至少45°的相位裕量和至少10 dB的增益裕量,便可视为稳定。为了测量这些值,通常要在 VOUT节点和顶部反馈电阻之间插入一个小电阻,然后在这个增加的电阻两端施加一个扰动信号,并在期望的频率范围内测量环路响应。如果用户能够接触到顶部反馈电阻,这种常规方法会很简便,因此很常用。

ADI(亚德诺)

电源系统, 消费类电源, 工业电源, 通信电源, 安防电子巡查系统, 模块, 电流传感器模块, 配件/开发模块, 电能质量, 汽车电子, 电力功率管理(EPM), 消费电子, 电脑及外设, 家用电器, 便携式电子产品, 电脑外设和打印机, 电脑显示面板, 电表, 电子制造, 电子生产线, 电力/新能源, 电力巡检, 智能电网, 输电配电, 电网自动化, 电子测试设备, 电机驱动

应用方案

2025-10-14
如何预防模拟前端过压?

如何预防模拟前端过压?

在工业应用中,可能出现高压的情况一直是个令人担心的问题。寻找防护之道一直并将继续是开发人员的一项重要任务。本文所述的设计技巧说明,开发人员可以利用Over-The-Top® (OTT)放大器来实现这一目标。

ADI(亚德诺)

电源系统, 工业电源, 电源, 消费类电源, 服务器电源, ADA4099-1, ADA4098-1, 运算放大器, 放大器, 传感器放大器, 工业能耗管理, 工业物联网(IIOT), 工业智能, 工业仪器仪表, 工业自动化

应用方案

2025-10-14
设计一款具有过温管理功能的USB供电RF功率放大器

设计一款具有过温管理功能的USB供电RF功率放大器

任何无线电传输应用都需要高增益放大器来驱动天线。根据应用要求,这可以通过一级或多级实现;输出功率值越高,RF传输距离越长。为了实现最佳频率响应,设计中必须考虑几个因素,例如适当的阻抗匹配、滤波和热管理。

ADI(亚德诺)

电源系统, 电源, 工业电源, 通信电源, 消费类电源, 服务器电源, AD8353, ADL5324, CN0551, ADM7160, ADT6402, 低压差稳压器, 稳压器, 传感器放大器, 消费电子, 家用电器, 便携式电子产品, 电子制造, 电表, 电子生产线, 电力/新能源, 智能电网, 电网自动化, 电机驱动, 物联网, 工业物联网(IIOT), 网络设备, 网络通信, 路由器/网关

应用方案

2025-10-14
客服 微信 反馈
顶部